RGT-12SVC - Régulateur de puissance réactive 12 niveaux +TCR avec RS485 ModBus RTU

Seulement 3 pièces restant
Unité de gestion de stock: RGT-12(SVC)
Prix €262,80 Prix TTC

12 étapes + TCR Contrôleur de facteur de puissance avec écran graphique LCD 2.9" et RS-485 (TENSE)

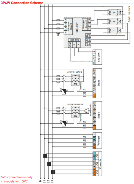
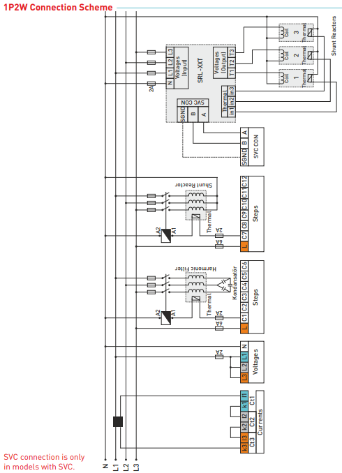
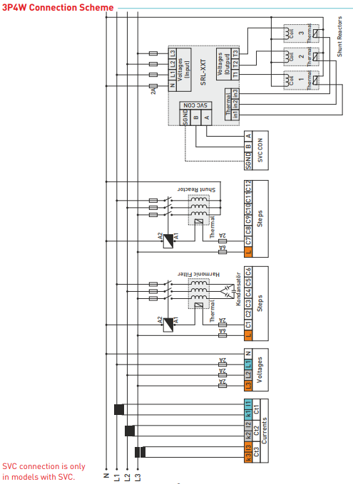
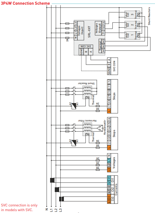
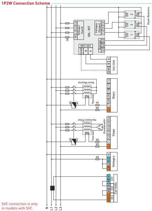
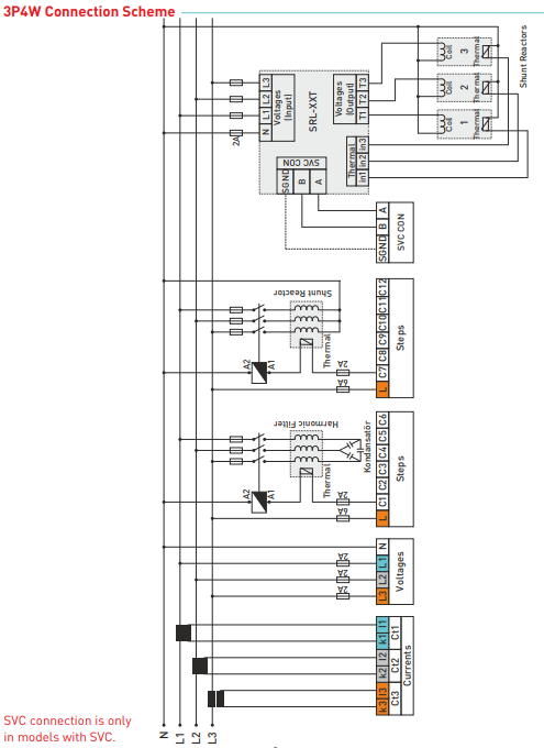
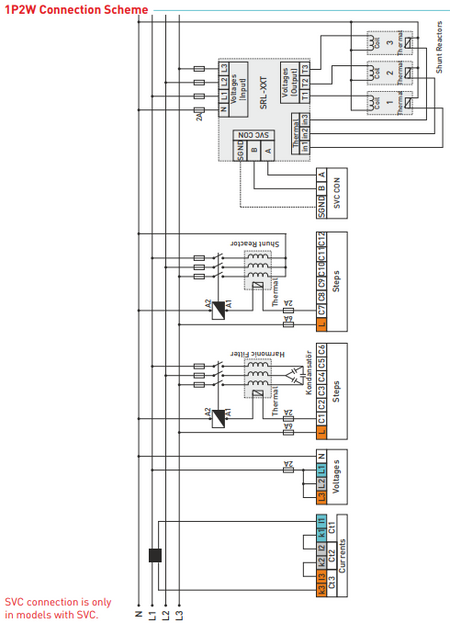
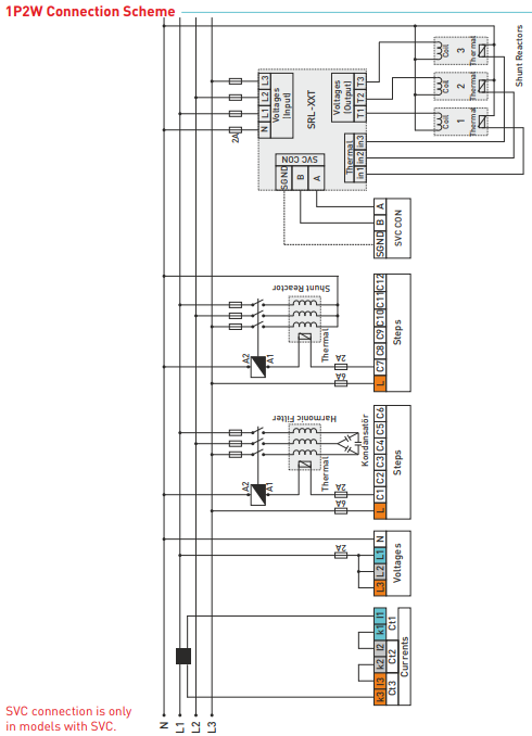
Le régulateur de puissance réactive RGT-12SVC (TENSE) est un dispositif entièrement automatique pour une commutation optimale des étages de compensation.

Le traitement numérique des valeurs mesurées par le régulateur assure une grande précision dans l'évaluation de la tension, du courant et du facteur de puissance effectifs.

L'installation du dispositif est entièrement automatique - le régulateur détermine lui-même la taille des différents étages de compensation connectés. Ces paramètres peuvent également être saisis manuellement.

Le régulateur active et désactive les étages de compensation de manière à réguler la puissance réactive avec un nombre minimal de commutations. En même temps, le contrôleur tient compte de la charge régulière des différents étages et commute de préférence les étages qui ont été mis hors tension le plus longtemps et pour lesquels la charge résiduelle est minimale. Pendant le processus de régulation, les étages de compensation sont continuellement surveillés en parallèle - les défaillances et les changements de valeurs sont détectés, les étages temporairement retirés sont périodiquement testés et, si nécessaire, ils sont réintégrés dans le processus de régulation.

  • Entrée du générateur et compensation du générateur

  • Les temps de démarrage, de décharge et de stabilisation peuvent être réglés.

  • Communication à distance avec RS485 (RS485 ModBus RTU)

  • Possibilité de connecter un condensateur monophasé, biphasé et triphasé et une réactance shunt.

  • La tension et le courant harmoniques peuvent être observés jusqu'à 31 harmoniques.

  • L'énergie totale (importation/exportation) peut être surveillée.

  • Les valeurs THD-V et THD-I de chaque phase peuvent être observées.

  • Création d'une analyse de puissance (20 échantillons 9999 min.) - pour la sélection des condensateurs

Paiement en ligne par carte - après avoir terminé votre commande, vous serez redirigé vers la passerelle de paiement, la confirmation de paiement vous sera envoyée par email

Contre-remboursement -  le paiement selon le règlement de paiement sera effectué au livreur de la société de transport

Par virement - vous recevrez au plus tard le jour ouvrable suivant une facture pro forma par e-mail, sur laquelle vous trouverez le numéro de compte à entrer lors du paiement. 

Sur facture - cette option de paiement est réservée aux partenaires qui ont signé un contrat-cadre avec notre société.

​Si vous souhaitez utiliser les 2 dernières méthodes, appelez notre responsable et il vous donnera des instructions sur la façon d'obtenir une facture avec ou sans TVA​.

Les appareils électriques que nous fournissons répondent à des normes de qualité élevées, ont une garantie de 24 mois et respectent toutes les exigences de l'UE.

En cas de réclamation, aucun frais n'est facturé pour le retour des marchandises.