
Recevoir un e‑mail lorsque ce produit sera disponible
- Description
- Instructions
- Modes de paiement
- Garantie
18 étapes + TCR Contrôleur de facteur de puissance pour réseaux symétriques/asymétriques avec écran tactile 5 pouces et RS-485 (TENSE)
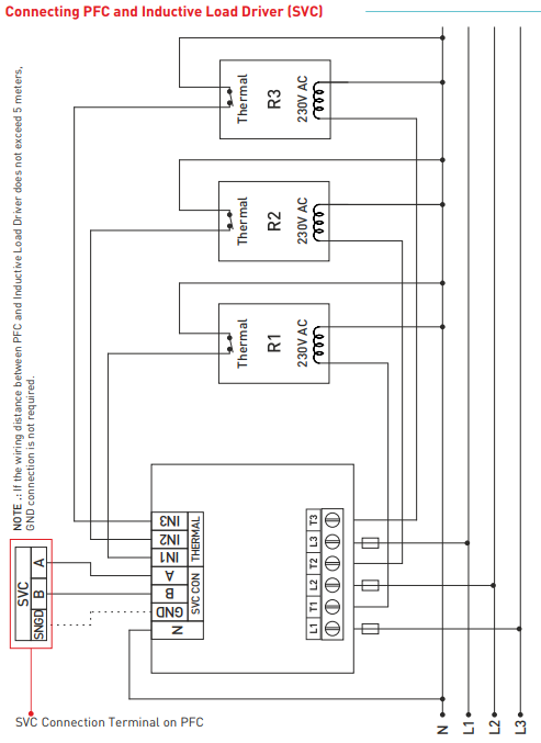
Les relais de contrôle de la puissance réactive sont conçus pour réduire la puissance réactive (inductive et capacitive) qui n'est pas utilisée par la charge et qui est prélevée sur le réseau. Lorsque la puissance inductive est prélevée sur le réseau, le relais intervient en retirant un condensateur d'une valeur appropriée. Si la puissance capacitive est prélevée sur le réseau, il intervient en prenant une inductance shunt de valeur appropriée. Il tente ainsi de réduire les vitesses inductive/active et capacitive/active du système. Il est conçu pour fournir une compensation plus raisonnable dans les systèmes inductifs et capacitifs déséquilibrés avec le RGT-MT18 TCR step.
Entrée du générateur et compensation du générateur
Sortie d'alarme de tension, courant/tension harmonique, inductif et capacitif
Les temps de réponse, de décharge et de stabilisation peuvent être ajustés
Communication à distance avec RS485 (RS485 ModBus RTU)
Possibilité de connecter un condensateur monophasé, biphasé et triphasé et une réactance shunt.
La tension et le courant harmoniques peuvent être observés jusqu'aux 61e harmoniques.
L'énergie totale (importation/exportation) peut être surveillée.
Les valeurs THD-V et THD-I de chaque phase peuvent être observées.
Création d'une analyse de puissance (20 échantillons 9999 min.) - pour la sélection des condensateurs
Sortie d'alarme de température
Enregistrement de la demande (puissance active, réactive et apparente et demande de courant)
Les valeurs minimales, maximales et moyennes du courant et de la tension de chaque phase peuvent être surveillées.
Date et heure actuelles
Paiement en ligne par carte - après avoir terminé votre commande, vous serez redirigé vers la passerelle de paiement, la confirmation de paiement vous sera envoyée par e-mail
Contre-remboursement - le paiement selon le bon de paiement sera effectué au livreur de la société de transport
Par virement - vous recevrez au plus tard le jour ouvrable suivant une facture pro forma par e-mail, sur laquelle vous trouverez le numéro de compte à indiquer lors du paiement.
Sur facture - cette option de paiement est réservée aux partenaires ayant signé un contrat-cadre avec notre société.
Si vous souhaitez utiliser les 2 dernières options, appelez notre responsable et il vous donnera des instructions sur la façon d'obtenir une facture avec ou sans TVA.
Les appareils électriques que nous fournissons répondent à des normes de qualité élevées, ont une garantie de 24 mois et satisfont à toutes les exigences de l'UE.
Nous offrons également la livraison gratuite pour les commandes supérieures à 100 €, ainsi qu’un système flexible de réductions et de promotions. Les connaissances techniques et l’expérience de nos employés nous permettent de fournir des conseils de haute qualité et, si nécessaire, de proposer des alternatives aux produits électriques.
Le matériel électrique que nous fournissons répond à des normes de qualité élevées, bénéficie d’une garantie de 24 mois et satisfait à toutes les exigences de l’UE.
En cas de réclamation, le retour de la marchandise n’entraîne aucun frais.
