
Recevoir un e‑mail lorsque ce produit sera disponible
- Description
- Instructions
- Modes de paiement
- Garantie
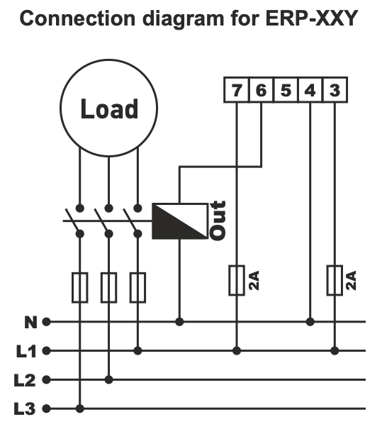
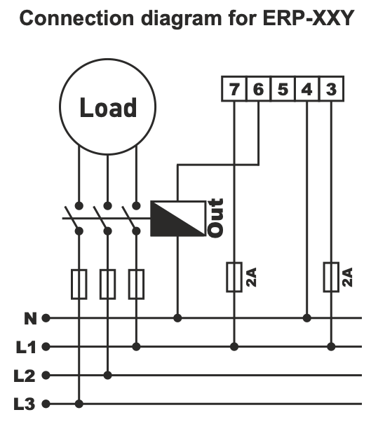
Relais temporisé ON-DELAY ERP (TENSE)
Description :
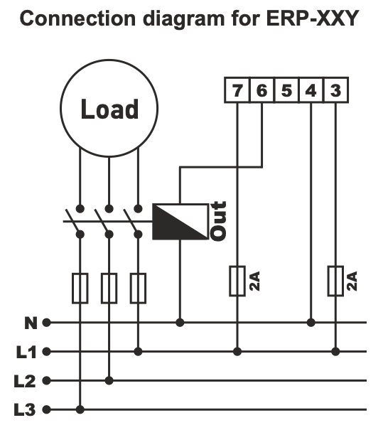
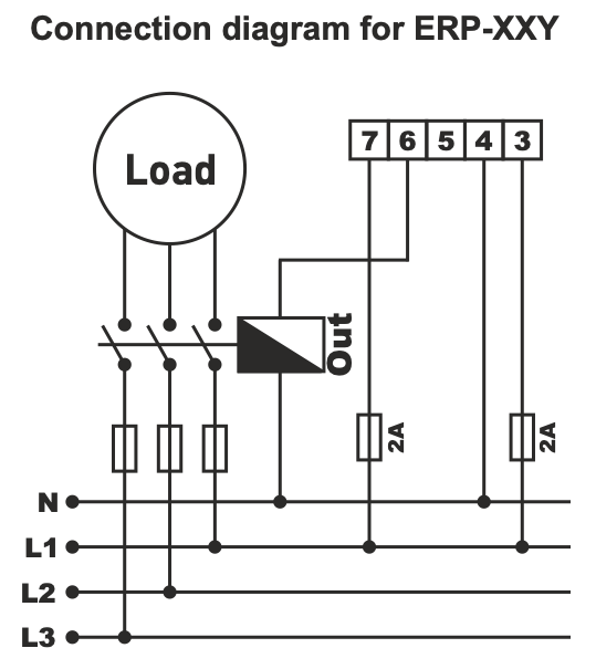
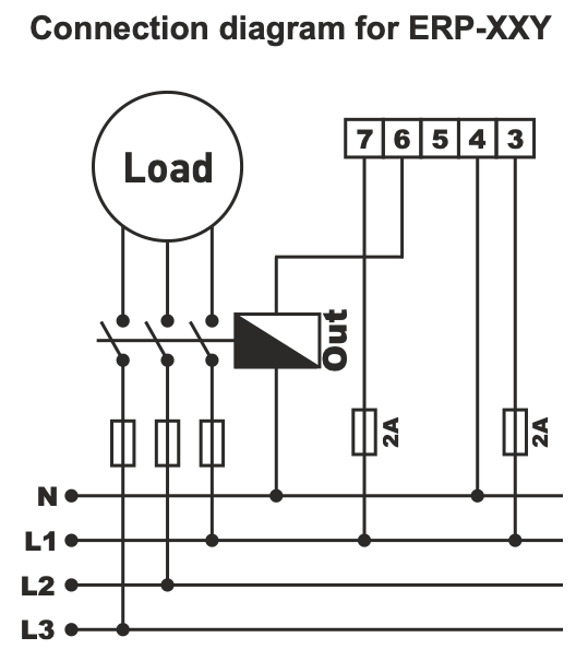
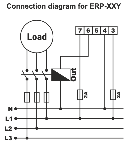
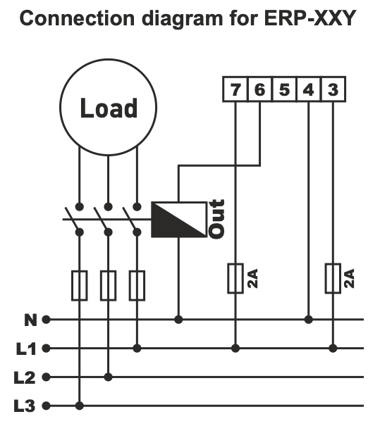
Relais temporisé ON-DELAY intégré mono-fonctionnel 230 V/AC avec un contact de commutation. Le relais est utilisé pour commuter séquentiellement des charges telles que des chaudières électriques, des fours, des appareils de chauffage, et empêche les surtensions de courant dans le réseau qui pourraient provoquer le déclenchement des disjoncteurs lors de surtensions importantes. Il peut également être utilisé pour coordonner l'heure de mise en marche de plusieurs dispositifs dans des machines, des appareils ou d'autres installations.
Paramètres techniques :
-
Alimentation : 230 V AC.
-
Sortie : 1 × contact de commutation (SPDT)
-
Montage : 8 broches, 1/16 DIN (48 × 48 mm)
|
ERP-03Y : 0-3 s |
0-3 s |
|
ERP-12Y |
0-12 s |
|
ERP-30Y |
0-30 s |
|
ERP-60Y |
0-60 s |
|
ERP-12DY |
0-12 min |
|
ERP-03DY |
0-3 min |
|
ERP-30DY |
0-30 min |
|
ERP-60DY |
0-60 min |
Utilisation :
-
Commutation progressive de charges (chaudières électriques, fours, appareils de chauffage)
-
Protection contre les surtensions du réseau
-
Coordination de la commutation sur plusieurs appareils
Avantages :
-
Relais temporisé fiable et précis
-
Installation facile sur rail DIN
-
Utilisation universelle dans les applications industrielles et domestiques
Catégorie : Relais industriels, Automatisation, Relais temporisés
Télécharger sur
Paiement en ligne par carte - après avoir terminé votre commande, vous serez redirigé vers la passerelle de paiement, la confirmation de paiement vous sera envoyée par e-mail
Contre-remboursement - le paiement selon le bon de paiement sera effectué au livreur de la société de transport
Par virement - vous recevrez au plus tard le jour ouvrable suivant une facture pro forma par e-mail, sur laquelle vous trouverez le numéro de compte à indiquer lors du paiement.
Sur facture - cette option de paiement est réservée aux partenaires ayant signé un contrat-cadre avec notre société.
Si vous souhaitez utiliser les 2 dernières options, appelez notre responsable et il vous donnera des instructions sur la façon d'obtenir une facture avec ou sans TVA.
Les appareils électriques que nous fournissons répondent à des normes de qualité élevées, ont une garantie de 24 mois et satisfont à toutes les exigences de l'UE.
Nous offrons également la livraison gratuite pour les commandes supérieures à 100 €, ainsi qu’un système flexible de réductions et de promotions. Les connaissances techniques et l’expérience de nos employés nous permettent de fournir des conseils de haute qualité et, si nécessaire, de proposer des alternatives aux produits électriques.
Le matériel électrique que nous fournissons répond à des normes de qualité élevées, bénéficie d’une garantie de 24 mois et satisfait à toutes les exigences de l’UE.
En cas de réclamation, le retour de la marchandise n’entraîne aucun frais.
