
Recevoir un e‑mail lorsque ce produit sera disponible
- Description
- Instructions
- Modes de paiement
- Garantie
|
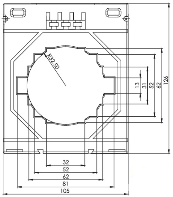
Transformateur de courant 81x13, 1500/5A -0,5S - 20VA - 80mm, Tendeur
Les transformateurs de courant à tension permettent de mesurer et de contrôler avec précision les paramètres électriques dans les systèmes à courant alternatif. Ils convertissent des valeurs de courant élevées en valeurs plus faibles et sûres pour l'équipement de mesure, ce qui permet de contrôler et de gérer efficacement les systèmes électriques. Caractéristiques techniques
Coefficient : 1500/5A Capacité de charge : 20VA Classe de précision 0,5S Bornier Couvercle inamovible ; pour conducteurs de gros calibre ; en laiton pour plus de sécurité Boîtier ABS ininflammable et auto-extinguible Montage KK0001 ou KK0002 Enroulement primaire 80 x 10 mm Conducteur rond Ø 65 mm Résistance T au courant de court-circuit Ith = 60*In Résistance T à l'exposition à un courant constant Id = 1 * In Température ambiante (heures de fonctionnement) -25°C~+85°C Fréquence nominale 50 Hz ... 60 Hz Limite du courant de commutation FS 5 Tension d'essai 3 kV pendant 1 minute Tension maximale du système 0,72 kV Normes : IEC 60044-1, IEC 61869-2, VDE 0414-1, DIN57414, BS3938, BS7626, EN 61869
Avantages des transformateurs de tension et de courant : Haute précision : mesures fiables pour un contrôle précis des paramètres électriques. Large gamme de courants nominaux : permet de sélectionner le modèle optimal pour des besoins spécifiques. Différentes tailles : les différentes tailles de fenêtres offrent une grande souplesse d'installation et une compatibilité avec différents conducteurs. Fiabilité et durabilité : les matériaux utilisés sont de haute qualité et garantissent une longue durée de vie. |
Le choix des transformateurs de tension et de courant garantit un fonctionnement stable des systèmes électriques et la précision des mesures, un facteur clé pour une gestion efficace de l'énergie.
Télécharger sur
Informations techniques sur les transformateurs de courant (996 kB) - à envoyer sur demande
Paiement en ligne par carte - après avoir terminé votre commande, vous serez redirigé vers la passerelle de paiement, la confirmation de paiement vous sera envoyée par e-mail
Contre-remboursement - le paiement selon le bon de paiement sera effectué au livreur de la société de transport
Par virement - vous recevrez au plus tard le jour ouvrable suivant une facture pro forma par e-mail, sur laquelle vous trouverez le numéro de compte à indiquer lors du paiement.
Sur facture - cette option de paiement est réservée aux partenaires ayant signé un contrat-cadre avec notre société.
Si vous souhaitez utiliser les 2 dernières options, appelez notre responsable et il vous donnera des instructions sur la façon d'obtenir une facture avec ou sans TVA.
Les appareils électriques que nous fournissons répondent à des normes de qualité élevées, ont une garantie de 24 mois et satisfont à toutes les exigences de l'UE.
Nous offrons également la livraison gratuite pour les commandes supérieures à 100 €, ainsi qu’un système flexible de réductions et de promotions. Les connaissances techniques et l’expérience de nos employés nous permettent de fournir des conseils de haute qualité et, si nécessaire, de proposer des alternatives aux produits électriques.
Le matériel électrique que nous fournissons répond à des normes de qualité élevées, bénéficie d’une garantie de 24 mois et satisfait à toutes les exigences de l’UE.
En cas de réclamation, le retour de la marchandise n’entraîne aucun frais.
