
Recevoir un e‑mail lorsque ce produit sera disponible
- Description
- Instructions
- Modes de paiement
- Garantie
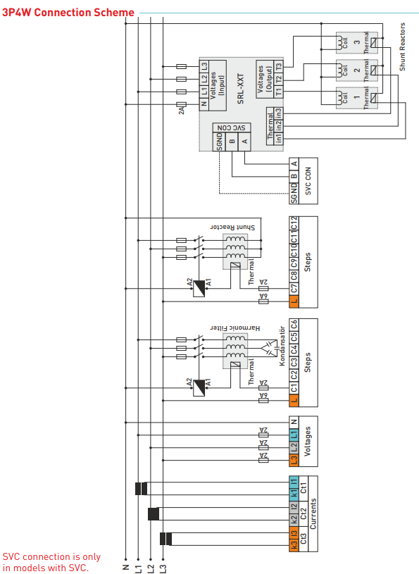
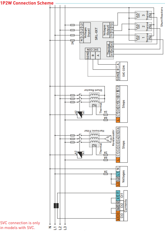
Contrôleur de facteur de puissance 12 étapes + TCR avec écran graphique LCD 2,9" (TENSE) - RGT-12E
Le contrôleur de puissance réactive RGT-12E de TENSE est un contrôleur entièrement automatique et très précis conçu pour un contrôle optimal des étapes de compensation dans les réseaux électriques. Doté de compteurs numériques, d'algorithmes intelligents et d'un écran graphique LCD, il garantit un facteur de puissance stable, un contrôle efficace de la puissance réactive et la protection de l'équipement de compensation.
Principales caractéristiques et fonctions
Détection automatique des étages de compensation
Le contrôleur se configure lui-même après la mise sous tension :
-
détecte automatiquement la taille des étages de condensateurs connectés
-
il est également possible d'entrer les paramètres manuellement
-
le système vérifie en permanence l'état de chaque étage
Commande de commutation intelligente
Le contrôleur allume et éteint les étages de manière à ce que :
-
un facteur de puissance stable soit atteint avec un nombre minimal de commutations
-
les différents étages soient chargés de manière homogène
-
les condensateurs ayant la charge résiduelle la plus faible soient privilégiés
-
l'état de chaque étage soit contrôlé simultanément (pannes, changements de puissance, retrait et réinsertion).
Prise en charge du TCR (Thyristor Switched Reactor)
Le régulateur permet un contrôle de compensation avec des réacteurs à thyristors, ce qui est idéal pour :
-
Applications industrielles
-
la compensation dynamique
-
les systèmes avec des changements de charge fréquents
Mesures et analyses avancées
-
Mesure des tensions et courants harmoniques jusqu'à la 31e harmonique
-
Surveillance de l'énergie totale (importation/exportation)
-
Mesures THD-V et THD-I pour chaque phase
-
Génération d'une analyse de puissance (20 échantillons de 9999 min) - très utile pour concevoir des ensembles decompensationCâblageflexibledes éléments de compensation
Options d'application :
-
condensateurs monophasés
-
condensateurs biphasés
-
condensateurs triphasés
-
réactances shunt
Fonctions de temps réglables
Réglable :
-
temps d'intervention
-
temps de décharge
-
temps de stabilisation
Cela permet d'adapter précisément la commande à la nature de l'opération.
Fonctions du générateur
Le régulateur possède :
-
une entrée de commande du générateur
-
une fonction de compensation de l'alimentation du générateur
Caractéristiques techniques (bref aperçu)
-
12 sorties de compensation à relais
-
Support TCR
-
Écran graphique LCD 2,9 pouces
-
Détection automatique de l'étage
-
Mesure des harmoniques jusqu'au 31ème ordre
-
Statistiques et historique de l'énergie
-
THD-V / THD-I
-
Prise en charge des étages monophasés, biphasés et triphasés
-
Temps d'arrêt, de marche et de décharge programmables
-
Protection contre les défauts dans les étages
Paiement en ligne par carte - après avoir terminé votre commande, vous serez redirigé vers la passerelle de paiement, la confirmation de paiement vous sera envoyée par e-mail
Contre-remboursement - le paiement selon le bon de paiement sera effectué au livreur de la société de transport
Par virement - vous recevrez au plus tard le jour ouvrable suivant une facture pro forma par e-mail, sur laquelle vous trouverez le numéro de compte à indiquer lors du paiement.
Sur facture - cette option de paiement est réservée aux partenaires ayant signé un contrat-cadre avec notre société.
Si vous souhaitez utiliser les 2 dernières options, appelez notre responsable et il vous donnera des instructions sur la façon d'obtenir une facture avec ou sans TVA.
Les appareils électriques que nous fournissons répondent à des normes de qualité élevées, ont une garantie de 24 mois et satisfont à toutes les exigences de l'UE.
Nous offrons également la livraison gratuite pour les commandes supérieures à 100 €, ainsi qu’un système flexible de réductions et de promotions. Les connaissances techniques et l’expérience de nos employés nous permettent de fournir des conseils de haute qualité et, si nécessaire, de proposer des alternatives aux produits électriques.
Le matériel électrique que nous fournissons répond à des normes de qualité élevées, bénéficie d’une garantie de 24 mois et satisfait à toutes les exigences de l’UE.
En cas de réclamation, le retour de la marchandise n’entraîne aucun frais.
