
Recevoir un e‑mail lorsque ce produit sera disponible
- Description
- Instructions
- Modes de paiement
- Garantie
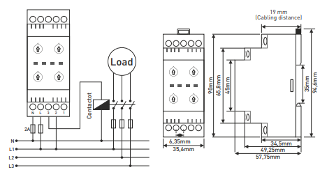
GKM-11 - Relais monophasé à maximum et minimum de tension, TENSE
Description du produit
Le relais GKM-11 est utilisé pour protéger les équipements sensibles contre les surtensions et les sous-tensions dans les systèmes de distribution monophasés. Lorsque la limite supérieure ou inférieure de tension fixée est dépassée, le relais ouvre le contact de sortie et déconnecte la charge, évitant ainsi d'endommager l'équipement.
Fonction et fonctionnement
-
Indication d'état :
-
État normal - LED verte
-
Défaut de haute tension - LED rouge "HV
-
Défaut de basse tension - LED rouge "LV"
-
-
Protection réglable : limites de tension supérieure et inférieure, délai de commutation (DT) et temps de réinitialisation (RT)
-
Contact de relais : 5 A / 250 V AC (charge résistive)
Caractéristiques techniques
-
Tension de fonctionnement : 220 V AC, 50/60 Hz
-
Plage de haute tension : 230-300 V
-
Plage de basse tension : 150-210 V
-
Temps de retard et de réinitialisation : 0,5-20 s
-
Consommation électrique : <6 VA
-
Température de fonctionnement : -20 °C à +55 °C
-
Montage : rail DIN
-
Poids : 0,1 kg
-
Section maximale du câble : 2,5 mm².
-
Altitude d'installation maximale : 2000 m
Application : distribution monophasée et tableaux de distribution
-
Appareils de distribution et de commutation monophasés
-
Équipements électriques sensibles, appareils ménagers, machines industrielles
Paiement en ligne par carte - après avoir terminé votre commande, vous serez redirigé vers la passerelle de paiement, la confirmation de paiement vous sera envoyée par e-mail
Contre-remboursement - le paiement selon le bon de paiement sera effectué au livreur de la société de transport
Par virement - vous recevrez au plus tard le jour ouvrable suivant une facture pro forma par e-mail, sur laquelle vous trouverez le numéro de compte à indiquer lors du paiement.
Sur facture - cette option de paiement est réservée aux partenaires ayant signé un contrat-cadre avec notre société.
Si vous souhaitez utiliser les 2 dernières options, appelez notre responsable et il vous donnera des instructions sur la façon d'obtenir une facture avec ou sans TVA.
Les appareils électriques que nous fournissons répondent à des normes de qualité élevées, ont une garantie de 24 mois et satisfont à toutes les exigences de l'UE.
Nous offrons également la livraison gratuite pour les commandes supérieures à 100 €, ainsi qu’un système flexible de réductions et de promotions. Les connaissances techniques et l’expérience de nos employés nous permettent de fournir des conseils de haute qualité et, si nécessaire, de proposer des alternatives aux produits électriques.
Le matériel électrique que nous fournissons répond à des normes de qualité élevées, bénéficie d’une garantie de 24 mois et satisfait à toutes les exigences de l’UE.
En cas de réclamation, le retour de la marchandise n’entraîne aucun frais.
