
Recevoir un e‑mail lorsque ce produit sera disponible
- Description
- Instructions
- Modes de paiement
- Garantie
Relais horloge de panneau ERD-48M - Minuterie numérique universelle pour l'automatisation industrielle et domestique
Le relais horloge de panneau ERD-48M est une minuterie numérique polyvalente conçue pour le contrôle des cycles de temps, les processus industriels, les machines à usage unique et la domotique. Il offre 13 modes de fonctionnement différents, une programmation précise et une large gamme d'options de contrôle.
L'appareil permet un réglage simple des séquences de temps de 0,1 seconde à 99,59 heures, à l'aide des boutons du panneau avant. Le double affichage LED rend l'affichage des valeurs clair et lisible même à distance.
Caractéristiques principales :
-
Minuterie numérique multifonction avec entrées de commande START / RESET / GATE
-
13 modes programmables pour une large gamme d'applications
-
Unités de temps : heures (99:59) / minutes (99:59) / secondes (599,9 s)
-
Mémoire du dernier état - garde en mémoire les réglages et l'état de la sortie en cas de coupure de courant
-
Double affichage LED :
-
Ligne supérieure (rouge) : point de consigne
-
Ligne inférieure (jaune) : temps mesuré ou état actuel
-
-
Indication de la fermeture du relais OUT par une LED rouge
-
Alimentation intégrée pour les capteurs : 12 V DC, max. 50 mA
-
Compatible avec les signaux 24 VDC (PNP) ou avec une sortie 12V personnalisée à partir de la borne 9
-
Construction robuste, montage sur panneau 48×48 mm
Fonctions et commandes
L'appareil comprend 13 modes de fonctionnement différents qui permettent une flexibilité totale en matière de contrôle :
-
Temporisation ON
-
Temporisation ARRÊT
-
marche/arrêt cyclique
-
temporisation unique
-
commande logique séquentielle
-
relais temporisé avec pause (GATE)
-
autres modes de temporisation spéciaux
(Une liste de 13 modes peut être ajoutée sur demande).
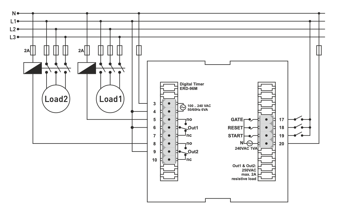
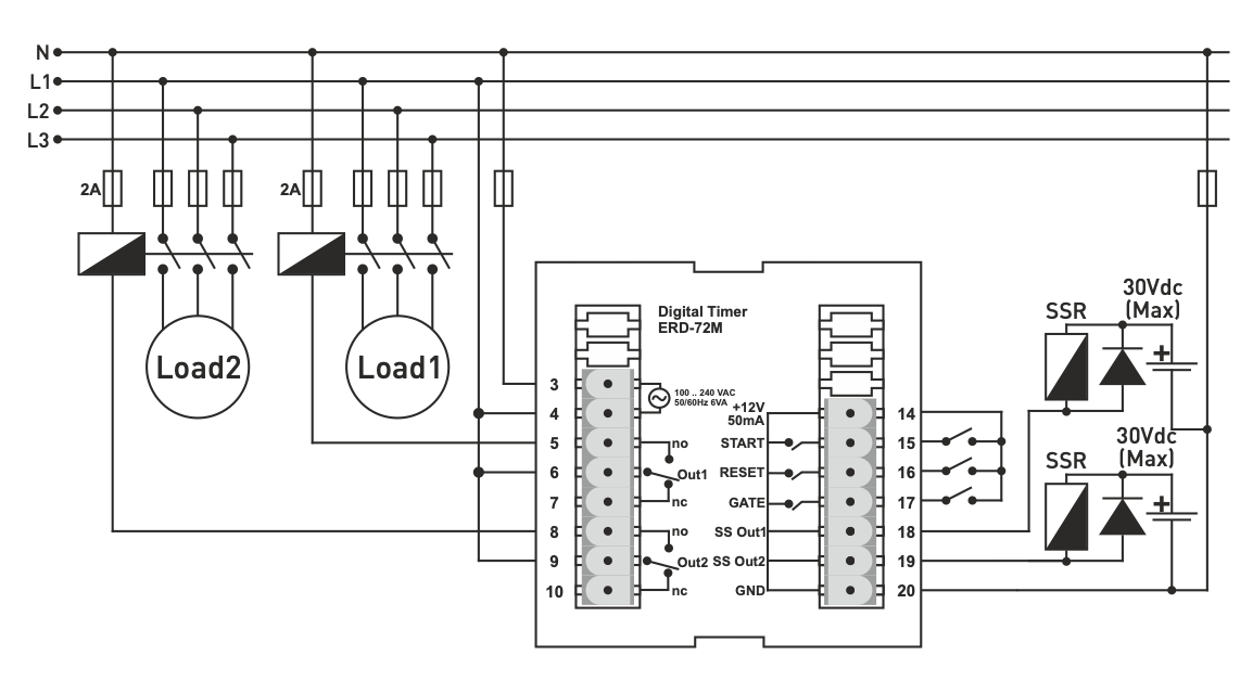
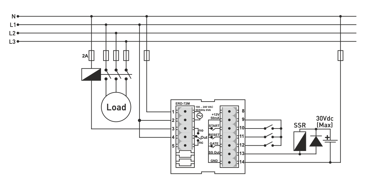
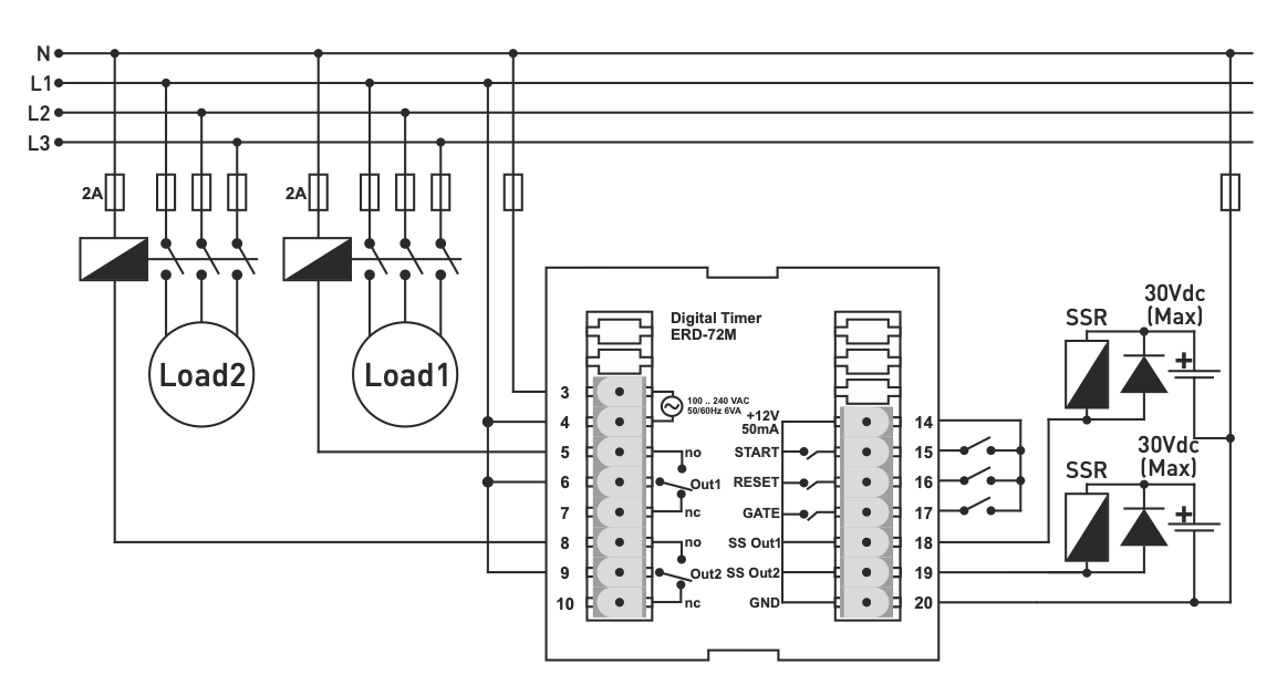
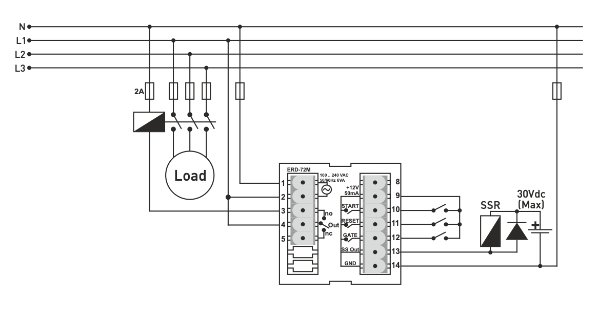
Entrées de commande :
-
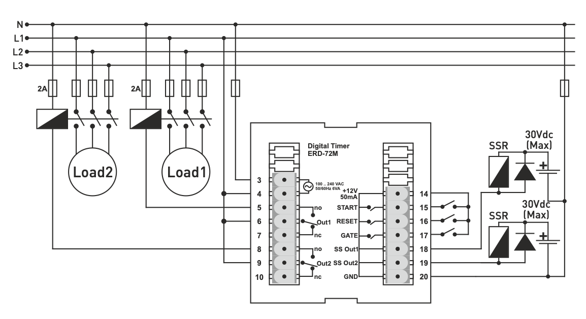
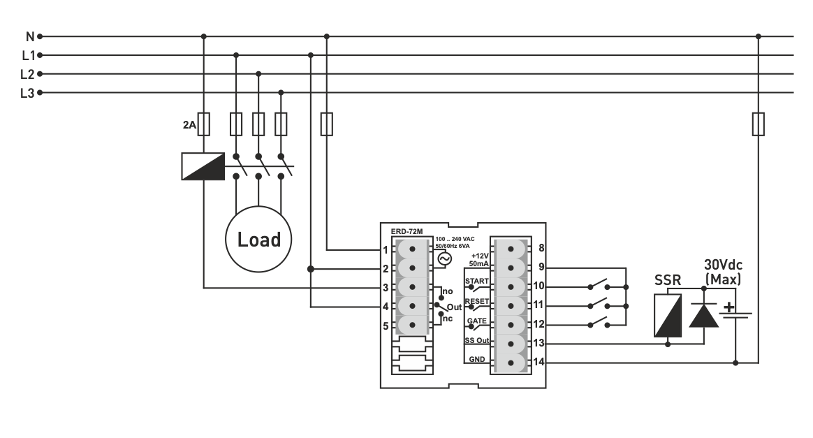
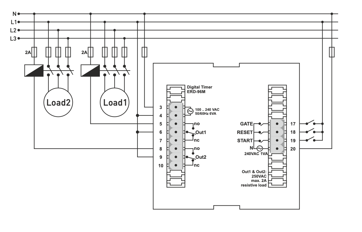
START (borne 10) : démarre la minuterie.
-
RESET (borne 11) : remise à zéro du temps.
-
GATE (borne 12) : interrompt le compte à rebours (PAUSE)
-
Borne 9 : +12 V DC intégré pour capteurs/boutons de commande (max. 50 mA)
Sorties
Sortie relais OUT1 (bornes 4-3-5) :
-
Type : interrupteur SPDT (NO-COM-NC)
-
Charge : 250 VAC / 2 A, charge résistive
Sortie SSR OUT2 (bornes 13 et 14) :
-
Signal de commande pour le relais statique
-
Niveau de sortie maximal : 30 V DC
Caractéristiques techniques
-
Tension d'alimentation : 100...240 V AC, 50/60 Hz
-
Consommation électrique : < 8 VA
-
Plage de temps :
-
0,1 s à 599,9 s
-
0 à 99:59 min
-
0 à 99:59 h
-
-
Entrées START/RESET/GATE : 7-32 V DC (ON), 0-2 V DC (OFF)
-
Affichage : 2×4 chiffres, 7 segments LED (rouge + jaune)
-
Température de fonctionnement : -20 °C à +55 °C
-
Découpe pour le montage sur panneau : 44 × 44 mm
-
Dimensions totales : 48 × 48 × 99 mm
-
Altitude de fonctionnement : < 2000 m
-
Montage : montage sur panneau, montage frontal
Télécharger sur
Paiement en ligne par carte - après avoir terminé votre commande, vous serez redirigé vers la passerelle de paiement, la confirmation de paiement vous sera envoyée par e-mail
Contre-remboursement - le paiement selon le bon de paiement sera effectué au livreur de la société de transport
Par virement - vous recevrez au plus tard le jour ouvrable suivant une facture pro forma par e-mail, sur laquelle vous trouverez le numéro de compte à indiquer lors du paiement.
Sur facture - cette option de paiement est réservée aux partenaires ayant signé un contrat-cadre avec notre société.
Si vous souhaitez utiliser les 2 dernières options, appelez notre responsable et il vous donnera des instructions sur la façon d'obtenir une facture avec ou sans TVA.
Les appareils électriques que nous fournissons répondent à des normes de qualité élevées, ont une garantie de 24 mois et satisfont à toutes les exigences de l'UE.
Nous offrons également la livraison gratuite pour les commandes supérieures à 100 €, ainsi qu’un système flexible de réductions et de promotions. Les connaissances techniques et l’expérience de nos employés nous permettent de fournir des conseils de haute qualité et, si nécessaire, de proposer des alternatives aux produits électriques.
Le matériel électrique que nous fournissons répond à des normes de qualité élevées, bénéficie d’une garantie de 24 mois et satisfait à toutes les exigences de l’UE.
En cas de réclamation, le retour de la marchandise n’entraîne aucun frais.
