
Recevoir un e‑mail lorsque ce produit sera disponible
- Description
- Instructions
- Modes de paiement
- Garantie
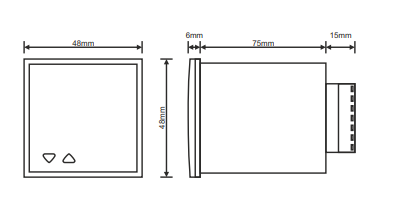
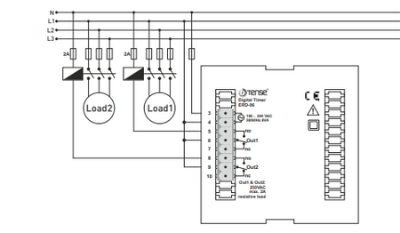
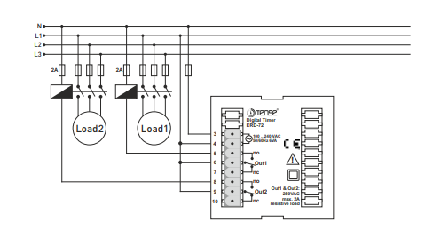
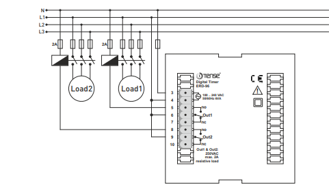
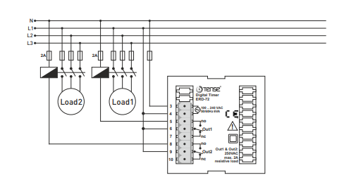
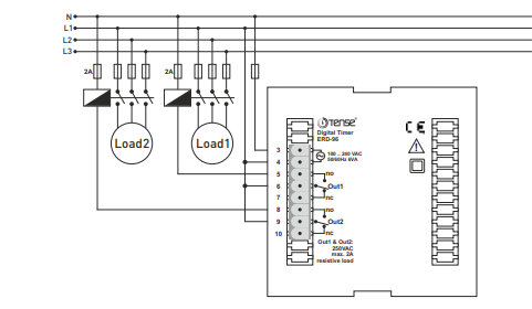
Relais temporisés ERD-96 ERD-48, ERD-72 - TENSE
Relais temporisé / relais d'impulsions cycliques / générateur d'impulsions symétriques et asymétriques
Le relais temporisé ERD-96 ERD-48, ERD-72 est conçu pour créer une temporisation ou générer des impulsions cycliques afin de contrôler divers processus dans les systèmes d'automatisation et de contrôle (ACS).
Il est particulièrement adapté à une utilisation dans :
-
les systèmes AC,
-
le contrôle des piscines et de la technologie,
-
les systèmes d'urgence et de sécurité,
-
l'automatisation générale et le contrôle séquentiel des installations.
Caractéristiques principales
-
Deux fonctions de base
-
Temporisation à l'enclenchement
-
Relais cyclique (générateur d'impulsions - impulsions symétriques/asymétriques)
-
-
Large plage de temps :
0,1 s à 999 minutes -
Indication du compte à rebours - affichage numérique du temps restant (temps de refroidissement)
-
Raccordement simple par bornier
-
Convient pour une utilisation universelle dans les réseaux CA 100...240 V
Caractéristiques techniques
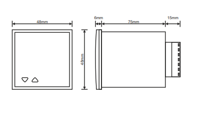
Paramètres mécaniques et d'affichage
-
Affichage : écran LED à 3 chiffres et 7 segments
Fonctions
-
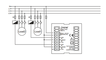
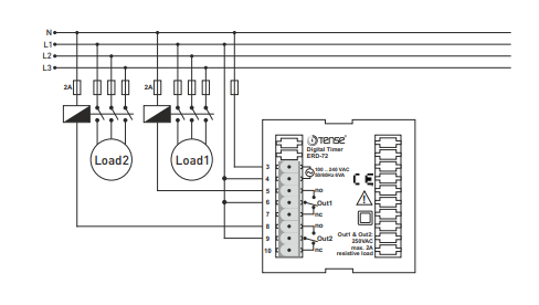
Sortie immédiate après le démarrage (Out2)
-
Sortie retardée après le démarrage (Out1)
Entrées
-
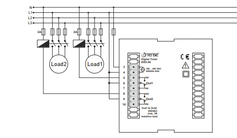
Entrée START : contacts 11-12
-
100...240 V AC, 50/60 Hz
-
Consommation max. 3 mA
Temporisation
-
-
Gamme :
-
99,9 s
-
999 s
-
99,9 min
-
999 min
(en option)
-
-
Résolution :
-
0,1 s / 1 s / 0,1 min / 1 min
-
-
Précision : ±1,5 % de la valeur réglée
Sorties
-
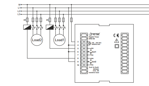
Out1 - Sortie retardée :
-
Relais NO-O-NC
-
250 V AC, 2 A (charge résistive)
-
-
Out2 - Sortie immédiate :
-
Relais NO-O
-
250 V CA, 2 A (charge résistive)
-
Alimentation électrique
-
Tension d'alimentation : 100...240 V AC, 50/60 Hz
-
Consommation électrique : < 5 VA
Conditions ambiantes
-
Température de fonctionnement : -20 °C à +55 °C
-
Altitude de fonctionnement : jusqu'à 2000 m
Télécharger sur
Paiement en ligne par carte - après avoir terminé votre commande, vous serez redirigé vers la passerelle de paiement, la confirmation de paiement vous sera envoyée par e-mail
Contre-remboursement - le paiement selon le bon de paiement sera effectué au livreur de la société de transport
Par virement - vous recevrez au plus tard le jour ouvrable suivant une facture pro forma par e-mail, sur laquelle vous trouverez le numéro de compte à indiquer lors du paiement.
Sur facture - cette option de paiement est réservée aux partenaires ayant signé un contrat-cadre avec notre société.
Si vous souhaitez utiliser les 2 dernières options, appelez notre responsable et il vous donnera des instructions sur la façon d'obtenir une facture avec ou sans TVA.
Les appareils électriques que nous fournissons répondent à des normes de qualité élevées, ont une garantie de 24 mois et satisfont à toutes les exigences de l'UE.
Nous offrons également la livraison gratuite pour les commandes supérieures à 100 €, ainsi qu’un système flexible de réductions et de promotions. Les connaissances techniques et l’expérience de nos employés nous permettent de fournir des conseils de haute qualité et, si nécessaire, de proposer des alternatives aux produits électriques.
Le matériel électrique que nous fournissons répond à des normes de qualité élevées, bénéficie d’une garantie de 24 mois et satisfait à toutes les exigences de l’UE.
En cas de réclamation, le retour de la marchandise n’entraîne aucun frais.
