
Recevoir un e‑mail lorsque ce produit sera disponible
- Description
- Instructions
- Modes de paiement
- Garantie
Relais temporisé cyclique + ON-DELAY avec affichage LED - TENSE ERD-48K (230 VAC)
Description du produit
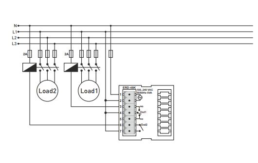
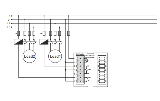
Le relais temporisé TENSE ERD-48K combine deux fonctions en un seul appareil - temporisation ON-Delay et contrôle cyclique. Il est conçu pour être monté sur un panneau ou une porte d'armoire et dispose d'un écran LED facile à lire qui permet de régler facilement la durée et de vérifier l'état actuel.
L'appareil convient à la commande automatique de l'éclairage, de la ventilation, des moteurs, de la signalisation et d'autres charges nécessitant des commutations séquentielles ou répétitives.
Fonctions principales
-
Retard à l'enclenchement - active la sortie après l'écoulement d'une durée déterminée.
-
Mode cyclique (blinker) - allume et éteint périodiquement les charges.
-
Modes :
-
Clignotement au début de l'impulsion
-
Clignotement au début de la pause
-
-
Afficheur LED pour un réglage pratique et l'affichage du temps restant
-
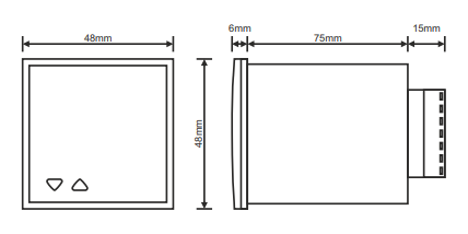
Convient pour un montage sur panneau de 48×48 mm
Réglage du temps
Quatre plages sélectionnables :
-
0-99,9 secondes
-
0-999 secondes
-
0-99,9 minutes
-
0-999 minutes
La sélection des plages s'effectue directement sur le panneau avant.
Utilisation
-
Allumage/extinction automatique de l'éclairage
-
Ventilation avec fonctionnement cyclique
-
Commande des appareils de chauffage et de refroidissement
-
Contrôle des feux de signalisation ou des avertissements sonores
-
Processus temporels industriels et automatisation
Alimentation électrique et installation
-
Tension de fonctionnement : 230 VAC
-
Montage : panneau / porte d'armoire (48×48 mm)
Paiement en ligne par carte - après avoir terminé votre commande, vous serez redirigé vers la passerelle de paiement, la confirmation de paiement vous sera envoyée par e-mail
Contre-remboursement - le paiement selon le bon de paiement sera effectué au livreur de la société de transport
Par virement - vous recevrez au plus tard le jour ouvrable suivant une facture pro forma par e-mail, sur laquelle vous trouverez le numéro de compte à indiquer lors du paiement.
Sur facture - cette option de paiement est réservée aux partenaires ayant signé un contrat-cadre avec notre société.
Si vous souhaitez utiliser les 2 dernières options, appelez notre responsable et il vous donnera des instructions sur la façon d'obtenir une facture avec ou sans TVA.
Les appareils électriques que nous fournissons répondent à des normes de qualité élevées, ont une garantie de 24 mois et satisfont à toutes les exigences de l'UE.
Nous offrons également la livraison gratuite pour les commandes supérieures à 100 €, ainsi qu’un système flexible de réductions et de promotions. Les connaissances techniques et l’expérience de nos employés nous permettent de fournir des conseils de haute qualité et, si nécessaire, de proposer des alternatives aux produits électriques.
Le matériel électrique que nous fournissons répond à des normes de qualité élevées, bénéficie d’une garantie de 24 mois et satisfait à toutes les exigences de l’UE.
En cas de réclamation, le retour de la marchandise n’entraîne aucun frais.
