
Recevoir un e‑mail lorsque ce produit sera disponible
- Description
- Modes de paiement
- Garantie
|
Relais de surveillance de surintensité TRM-30F avec afficheur, triphasé jusqu'à 25A Il est conçu pour protéger les équipements sensibles aux valeurs de courant et de tension de fonctionnement contre les erreurs qui peuvent se produire en raison de :
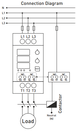
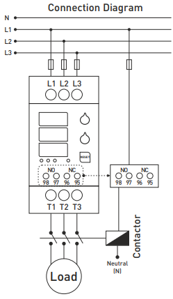
Le relais numérique de surintensité TRM-30F avec afficheur permet de visualiser le courant dans chaque phase et de protéger le moteur ou l'appareil contre les surintensités, les surtensions, les sous-courants, les défaillances de phase et les inversions de phase. Ces relais de surcharge numériques sont conçus pour éviter d'endommager le moteur/la charge en cas de courants élevés, tout en permettant de surveiller le courant circulant dans chaque phase sur l'écran. Ils sont également capables de vérifier les valeurs de tension cumulées entre les phases. Avec deux relais de sortie (1x NO, 1x NC), il est également possible de contrôler ou de déconnecter la charge lorsque la surintensité atteint une valeur définie, ou d'activer un contact de signalisation vers le système de contrôle. Les relais numériques TRM-xx sont équipés de transformateurs de courant intégrés et d'un écran à 3x3 chiffres pour l'affichage du courant. Application et principe de fonctionnement
Conducteurs
État des contacts
LED d'indication
Fonction du bouton "V/A/RESET
Protection et principe de fonctionnement 1. protection contre les surintensités (0,5-30 A) :
2. Protection contre l'asymétrie de courant :
3. Protection contre les surtensions (U>440 V) :
4. Protection contre les sous-tensions (U<265 V) :
5. Protection contre l'asymétrie de tension :
6. Protection de l'ordre des phases :
Calcul de l'asymétrie du courant L'instrument calcule l'asymétrie selon la formule suivante :
Exemple : ((25 - 15) / 25) × 100 = 40 % d'asymétrie de courant. Caractéristiques techniques
|
Paiement en ligne par carte - après avoir terminé votre commande, vous serez redirigé vers la passerelle de paiement, la confirmation de paiement vous sera envoyée par e-mail
Contre-remboursement - le paiement selon le bon de paiement sera effectué au livreur de la société de transport
Par virement - vous recevrez au plus tard le jour ouvrable suivant une facture pro forma par e-mail, sur laquelle vous trouverez le numéro de compte à indiquer lors du paiement.
Sur facture - cette option de paiement est réservée aux partenaires ayant signé un contrat-cadre avec notre société.
Si vous souhaitez utiliser les 2 dernières options, appelez notre responsable et il vous donnera des instructions sur la façon d'obtenir une facture avec ou sans TVA.
Les appareils électriques que nous fournissons répondent à des normes de qualité élevées, ont une garantie de 24 mois et satisfont à toutes les exigences de l'UE.
Nous offrons également la livraison gratuite pour les commandes supérieures à 100 €, ainsi qu’un système flexible de réductions et de promotions. Les connaissances techniques et l’expérience de nos employés nous permettent de fournir des conseils de haute qualité et, si nécessaire, de proposer des alternatives aux produits électriques.
Le matériel électrique que nous fournissons répond à des normes de qualité élevées, bénéficie d’une garantie de 24 mois et satisfait à toutes les exigences de l’UE.
En cas de réclamation, le retour de la marchandise n’entraîne aucun frais.
