
Recevoir un e‑mail lorsque ce produit sera disponible
- Description
- Instructions
- Modes de paiement
- Garantie
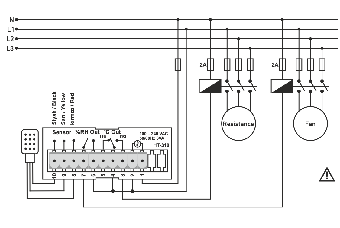
Relais numérique de contrôle de la température et de l'humidité. Echelle de mesure -19.9ºC ...+80ºC, 5 ... 95%HR (fabriqué en Turquie, TENSE)
Contrôle et surveillance des processus de chaleur et d'humidité des systèmes de chauffage, de climatisation et de ventilation, de l'automatisation des bâtiments, des installations industrielles.
Contrôleur de température et d'humidité basé sur le μP.
- Hystérésis
Mémoire EEPROM pour le stockage des paramètres
Protection par mot de passe
Haute précision
Sortie ºC - Relais (NO + NC), 250VAC, 2A, charge résistive
Sortie %HR - Relais (NO), 250VAC, 2A, charge résistive
Offset" réglable séparément pour la mesure de la température et de l'humidité
Temporisation réglable avant l'activation de la sortie pour la fonction de refroidissement
Mode de contrôle ON-OFF
Paiement en ligne par carte - après avoir terminé votre commande, vous serez redirigé vers la passerelle de paiement, la confirmation de paiement vous sera envoyée par e-mail
Contre-remboursement - le paiement selon le bon de paiement sera effectué au livreur de la société de transport
Par virement - vous recevrez au plus tard le jour ouvrable suivant une facture pro forma par e-mail, sur laquelle vous trouverez le numéro de compte à indiquer lors du paiement.
Sur facture - cette option de paiement est réservée aux partenaires ayant signé un contrat-cadre avec notre société.
Si vous souhaitez utiliser les 2 dernières options, appelez notre responsable et il vous donnera des instructions sur la façon d'obtenir une facture avec ou sans TVA.
Les appareils électriques que nous fournissons répondent à des normes de qualité élevées, ont une garantie de 24 mois et satisfont à toutes les exigences de l'UE.
Nous offrons également la livraison gratuite pour les commandes supérieures à 100 €, ainsi qu’un système flexible de réductions et de promotions. Les connaissances techniques et l’expérience de nos employés nous permettent de fournir des conseils de haute qualité et, si nécessaire, de proposer des alternatives aux produits électriques.
Le matériel électrique que nous fournissons répond à des normes de qualité élevées, bénéficie d’une garantie de 24 mois et satisfait à toutes les exigences de l’UE.
En cas de réclamation, le retour de la marchandise n’entraîne aucun frais.
