
Recevoir un e‑mail lorsque ce produit sera disponible
- Description
- Instructions
- Modes de paiement
- Garantie
Relais de surveillance de la tension avec temporisation pour le retour à l'état de fonctionnement, surveillance de l'augmentation et de la diminution de la tension, réglage de la valeur minimale et maximale de la tension, avec contrôle de la séquence des phases GKV-12F, TENSE
L'algorithme de fonctionnement du relais de surveillance de tension est le suivant :
Lorsque le relais est connecté à la tension d'alimentation et que les valeurs de tension correspondent aux valeurs définies, le relais est activé et la LED du relais () s'allume. Lorsque les valeurs de tension dépassent les valeurs définies, la LED de défaut correspondante s'allume, attend un temps de retard (DT), après quoi le relais est désactivé et la LED du relais s'éteint. Lorsque la tension revient à des valeurs normales, l'appareil attend un temps de réinitialisation (RT), après quoi le relais est activé et la LED du relais s'allume.
Réglages requis et messages d'erreur
-
HV : réglage de la haute tension, lorsque la tension dépasse cette valeur, la LED HV s'allume.
-
LV : réglage de la basse tension, lorsque la tension descend en dessous de cette valeur, la DEL LV s'allume.
-
DT : délai de temporisation, temps d'attente avant d'entrer dans l'erreur.
-
RT : temps de réinitialisation, temps d'attente avant que le relais ne réagisse lorsque la tension revient à la normale.
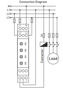
Relais activé : contacts 2 et 3 fermés, 1 et 2 ouverts.
Relais désactivé : contacts 2 et 1 fermés, 3 et 2 ouverts.
Caractéristiques techniques
-
Tension de fonctionnement : 3×380 VAC, 50/60 Hz
-
Tension de fonctionnement nominale : 220 VAC, 50/60 Hz
-
Haute tension : 230 V-300 V
-
Basse tension : 140 V-210 V
-
Temps de retard : 0,1 s - 20 s
-
Temps de réinitialisation : 0,1 s - 20 s
-
Puissance de fonctionnement : < 6 VA
-
Température de fonctionnement : -20 °C à +55 °C
-
Affichage : 4 LED
-
Poids : 0,210 kg
-
Contact : 5 A / 250 VAC (charge résistive)
-
Altitude de fonctionnement : < 2000 m
-
Diamètre du câble : 1,5 mm².
Paiement en ligne par carte - après avoir terminé votre commande, vous serez redirigé vers la passerelle de paiement, la confirmation de paiement vous sera envoyée par e-mail
Contre-remboursement - le paiement selon le bon de paiement sera effectué au livreur de la société de transport
Par virement - vous recevrez au plus tard le jour ouvrable suivant une facture pro forma par e-mail, sur laquelle vous trouverez le numéro de compte à indiquer lors du paiement.
Sur facture - cette option de paiement est réservée aux partenaires ayant signé un contrat-cadre avec notre société.
Si vous souhaitez utiliser les 2 dernières options, appelez notre responsable et il vous donnera des instructions sur la façon d'obtenir une facture avec ou sans TVA.
Les appareils électriques que nous fournissons répondent à des normes de qualité élevées, ont une garantie de 24 mois et satisfont à toutes les exigences de l'UE.
Nous offrons également la livraison gratuite pour les commandes supérieures à 100 €, ainsi qu’un système flexible de réductions et de promotions. Les connaissances techniques et l’expérience de nos employés nous permettent de fournir des conseils de haute qualité et, si nécessaire, de proposer des alternatives aux produits électriques.
Le matériel électrique que nous fournissons répond à des normes de qualité élevées, bénéficie d’une garantie de 24 mois et satisfait à toutes les exigences de l’UE.
En cas de réclamation, le retour de la marchandise n’entraîne aucun frais.
