
Recevoir un e‑mail lorsque ce produit sera disponible
- Description
- Modes de paiement
- Garantie
|
Relais de contrôle/limitation de charge, triphasé, plage 290-400 A, fabricant TENSE (Turquie) Le relais de surcharge numérique TRM-400 est conçu pour protéger les charges contre les dommages causés par des courants élevés, tout en permettant de contrôler le fonctionnement.
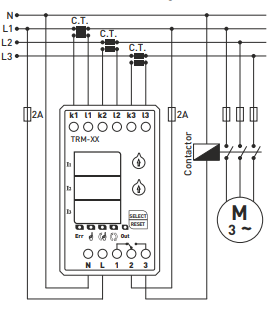
Utilisation de l'appareil et principe de fonctionnement
Lorsque l'appareil est mis en marche :
Le relais électronique de courant de la série TRM-400 est conçu pour déconnecter automatiquement les consommateurs lorsque les courants maximums autorisés sont dépassés. Il dispose d'une plage de déclenchement programmable et de la possibilité de régler le temps de déclenchement et le temps de déclenchement inverse. Il existe 3 modes de retour à l'état de fonctionnement - MANUEL, SEMI-AUTO, AUTO. Modes de réinitialisation
Remarque : Pour changer de mode, maintenez la touche SELECT enfoncée pendant 10 secondes. Lorsque le mode est modifié, le voyant correspondant s'allume. Paramètres techniques
Note : Les TRM-50, TRM-100, TRM-200 et TRM-300 ne peuvent être utilisés qu'avec les transformateurs de courant inclus dans la livraison.
Le TRM-400 peut être utilisé avec le transformateur de courant 400/5 fourni avec le TRM-400. Base de l'appareil
|
Paiement en ligne par carte - après avoir terminé votre commande, vous serez redirigé vers la passerelle de paiement, la confirmation de paiement vous sera envoyée par e-mail
Contre-remboursement - le paiement selon le bon de paiement sera effectué au livreur de la société de transport
Par virement - vous recevrez au plus tard le jour ouvrable suivant une facture pro forma par e-mail, sur laquelle vous trouverez le numéro de compte à indiquer lors du paiement.
Sur facture - cette option de paiement est réservée aux partenaires ayant signé un contrat-cadre avec notre société.
Si vous souhaitez utiliser les 2 dernières options, appelez notre responsable et il vous donnera des instructions sur la façon d'obtenir une facture avec ou sans TVA.
Les appareils électriques que nous fournissons répondent à des normes de qualité élevées, ont une garantie de 24 mois et satisfont à toutes les exigences de l'UE.
Nous offrons également la livraison gratuite pour les commandes supérieures à 100 €, ainsi qu’un système flexible de réductions et de promotions. Les connaissances techniques et l’expérience de nos employés nous permettent de fournir des conseils de haute qualité et, si nécessaire, de proposer des alternatives aux produits électriques.
Le matériel électrique que nous fournissons répond à des normes de qualité élevées, bénéficie d’une garantie de 24 mois et satisfait à toutes les exigences de l’UE.
En cas de réclamation, le retour de la marchandise n’entraîne aucun frais.
