
Recevoir un e‑mail lorsque ce produit sera disponible
- Description
- Modes de paiement
- Garantie
|
Relais de courant triphasé pour le contrôle/la limitation du courant de charge dans la plage de 40-100 A, fabricant TENSE (Turquie) Les relais numériques à maximum de courant TRM-100 sont conçus pour protéger les charges contre les dommages causés par des courants élevés, tout en permettant le contrôle du fonctionnement. - 40-100 A (valeur de surintensité réglable)
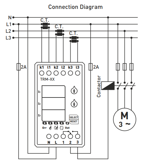
Utilisation de l'appareil et principe de fonctionnement
Lorsque l'appareil est mis sous tension :
Description de l'appareil Le relais électronique de courant de la série TRM-100 est conçu pour déconnecter automatiquement les appareils lorsque le courant maximum autorisé est dépassé.
Modes de réinitialisation : - Mode manuel : Après un défaut de surintensité, l'appareil doit être réinitialisé en appuyant sur le bouton de réinitialisation. Dans ce mode, la LED appropriée est allumée. Remarque : Pour changer de mode, maintenez la touche SELECT enfoncée pendant 10 secondes. Lorsque le mode est modifié, l'indicateur LED correspondant s'allume. Asymétrie 50 % (fixe) Si la différence entre le plus grand et le plus petit courant de phase dépasse 50 %, l'appareil entre en mode de défaut d'asymétrie dans les 2 secondes. Pendant un défaut d'asymétrie : Paramètres techniques : - Tension de fonctionnement : 150-260 VAC. Remarque : les TRM-50, TRM-100, TRM-200 et TRM-300 ne peuvent être utilisés qu'avec les transformateurs de courant fournis.
Base de l'appareil
|
Paiement en ligne par carte - après avoir terminé votre commande, vous serez redirigé vers la passerelle de paiement, la confirmation de paiement vous sera envoyée par e-mail
Contre-remboursement - le paiement selon le bon de paiement sera effectué au livreur de la société de transport
Par virement - vous recevrez au plus tard le jour ouvrable suivant une facture pro forma par e-mail, sur laquelle vous trouverez le numéro de compte à indiquer lors du paiement.
Sur facture - cette option de paiement est réservée aux partenaires ayant signé un contrat-cadre avec notre société.
Si vous souhaitez utiliser les 2 dernières options, appelez notre responsable et il vous donnera des instructions sur la façon d'obtenir une facture avec ou sans TVA.
Les appareils électriques que nous fournissons répondent à des normes de qualité élevées, ont une garantie de 24 mois et satisfont à toutes les exigences de l'UE.
Nous offrons également la livraison gratuite pour les commandes supérieures à 100 €, ainsi qu’un système flexible de réductions et de promotions. Les connaissances techniques et l’expérience de nos employés nous permettent de fournir des conseils de haute qualité et, si nécessaire, de proposer des alternatives aux produits électriques.
Le matériel électrique que nous fournissons répond à des normes de qualité élevées, bénéficie d’une garantie de 24 mois et satisfait à toutes les exigences de l’UE.
En cas de réclamation, le retour de la marchandise n’entraîne aucun frais.
