
Recevoir un e‑mail lorsque ce produit sera disponible
- Description
- Instructions
- Modes de paiement
- Garantie
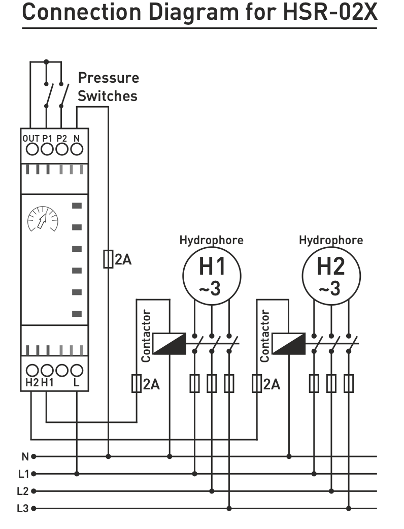
Relais séquentiel Hydrophore avec minuterie pour 2 pompes
Description du produit
Le relais séquentiel hydrophore est conçu pour contrôler le fonctionnement de deux pompes en fonction de la pression du système.
Il offre les avantages suivants
-
une rotation uniforme des pompes pour prolonger la durée de vie de l'équipement
-
unfonctionnement synchronisé des pompes lorsque plusieurs pompes d'appoint sont nécessaires
-
Un contrôle automatique en fonction de la pression actuelle du système
Fonctions principales
-
Contrôle de deux pompes dans un système hydrophore
-
Alternance des pompes pour une usure régulière
-
Minuterie pour régler le délai entre les démarrages des pompes
-
Possibilité de connecter des surpresseurs supplémentaires pour les systèmes plus importants
-
Protection des pompes contre la surcharge et le surrégime
Paramètres techniques
(si vous avez des valeurs exactes, nous pouvons les ajouter, par exemple alimentation électrique, puissance, plage de fonctionnement, montage, etc.)
-
Nombre de pompes : 2
-
Type de montage : rail DIN / panneau
-
Fonctions : alternance, minuterie, contrôle de la pression
Application : Systèmes d'eau avec hydrophones et réservoirs sous pression
-
Systèmes d'eau avec hydrophones et réservoirs sous pression
-
Applications domestiques et industrielles
-
Assurer un fonctionnement uniforme et la protection des pompes
-
Contrôle de la surpression dans les systèmes multi-pompes
Paiement en ligne par carte - après avoir terminé votre commande, vous serez redirigé vers la passerelle de paiement, la confirmation de paiement vous sera envoyée par e-mail
Contre-remboursement - le paiement selon le bon de paiement sera effectué au livreur de la société de transport
Par virement - vous recevrez au plus tard le jour ouvrable suivant une facture pro forma par e-mail, sur laquelle vous trouverez le numéro de compte à indiquer lors du paiement.
Sur facture - cette option de paiement est réservée aux partenaires ayant signé un contrat-cadre avec notre société.
Si vous souhaitez utiliser les 2 dernières options, appelez notre responsable et il vous donnera des instructions sur la façon d'obtenir une facture avec ou sans TVA.
Les appareils électriques que nous fournissons répondent à des normes de qualité élevées, ont une garantie de 24 mois et satisfont à toutes les exigences de l'UE.
Nous offrons également la livraison gratuite pour les commandes supérieures à 100 €, ainsi qu’un système flexible de réductions et de promotions. Les connaissances techniques et l’expérience de nos employés nous permettent de fournir des conseils de haute qualité et, si nécessaire, de proposer des alternatives aux produits électriques.
Le matériel électrique que nous fournissons répond à des normes de qualité élevées, bénéficie d’une garantie de 24 mois et satisfait à toutes les exigences de l’UE.
En cas de réclamation, le retour de la marchandise n’entraîne aucun frais.
