
Recevoir un e‑mail lorsque ce produit sera disponible
- Description
- Instructions
- Modes de paiement
- Garantie
Thermostat / Régulateur de température à 2 points TENSE
Description du produit :
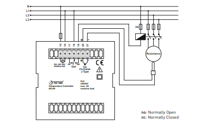
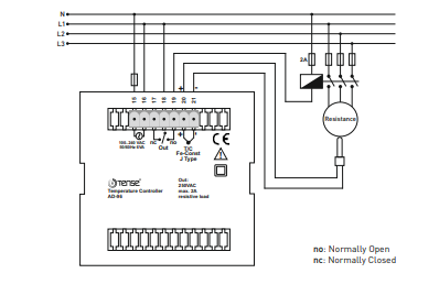
Le régulateur de température est conçu pour le contrôle ON/OFF (Marche/Arrêt) ou proportionnel des processus de température. Il convient au chauffage, à la climatisation, aux systèmes de ventilation, à l'automatisation des bâtiments et aux installations industrielles.
Fonctions et caractéristiques :
-
Mode de contrôle ON/OFF (deux points) ou proportionnel.
-
Type de capteur : T/C (type J, Fe-Const)
-
Sorties relais : OUT (NO + NC), 250VAC, 2A
-
Hystérésis réglable
-
Mémoire EEPROM pour stocker les réglages
-
Affichage clair de la température souhaitée
Plage de mesure et précision :
-
Plage de mesure : 0 °C ... +400 °C
-
Résolution/pas : 1 °C
Accessoires recommandés :
-
Sondes de température Fe-Const de type J (6/8 mètres), plage -100 °C ... +600 °C
-
Disponible avec câble : 1 m, 1,5 m, 2 m, 2,5 m, 3 m, 4 m ou 5 m
Application :
-
Contrôle de la température du chauffage, de la climatisation et de la ventilation
-
Lignes et machines industrielles nécessitant un contrôle précis de la température
-
Surveillance et protection des équipements
Avantages :
-
Produit fiable de Turkish TENSE
-
Facilité de connexion et d'installation
-
Mémoire permettant de conserver les réglages même après une coupure de courant
Paiement en ligne par carte - après avoir terminé votre commande, vous serez redirigé vers la passerelle de paiement, la confirmation de paiement vous sera envoyée par e-mail
Contre-remboursement - le paiement selon le bon de paiement sera effectué au livreur de la société de transport
Par virement - vous recevrez au plus tard le jour ouvrable suivant une facture pro forma par e-mail, sur laquelle vous trouverez le numéro de compte à indiquer lors du paiement.
Sur facture - cette option de paiement est réservée aux partenaires ayant signé un contrat-cadre avec notre société.
Si vous souhaitez utiliser les 2 dernières options, appelez notre responsable et il vous donnera des instructions sur la façon d'obtenir une facture avec ou sans TVA.
Les appareils électriques que nous fournissons répondent à des normes de qualité élevées, ont une garantie de 24 mois et satisfont à toutes les exigences de l'UE.
Nous offrons également la livraison gratuite pour les commandes supérieures à 100 €, ainsi qu’un système flexible de réductions et de promotions. Les connaissances techniques et l’expérience de nos employés nous permettent de fournir des conseils de haute qualité et, si nécessaire, de proposer des alternatives aux produits électriques.
Le matériel électrique que nous fournissons répond à des normes de qualité élevées, bénéficie d’une garantie de 24 mois et satisfait à toutes les exigences de l’UE.
En cas de réclamation, le retour de la marchandise n’entraîne aucun frais.
