Recevoir un e‑mail lorsque ce produit sera disponible
Produit en précommande
- Description
- Instructions
- Modes de paiement
- Garantie
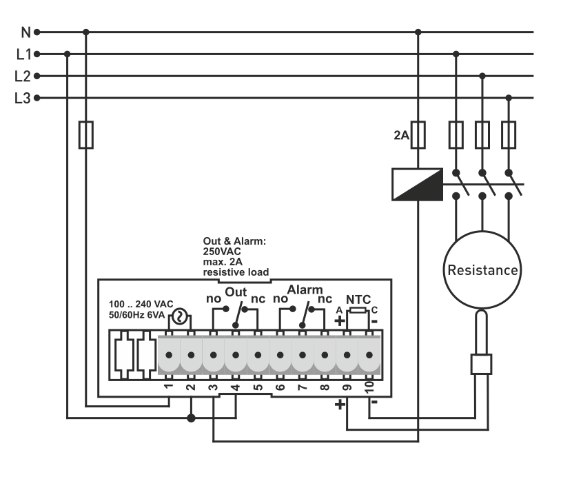
Thermostat / Régulateur de température à 2 points DT-321 - TENSE (Turquie)
Description :
Thermostat 2 points avec capteur externe pour montage sur panneau en mode ON-OFF. Conçu pour le contrôle et la surveillance des processus thermiques dans les systèmes de chauffage, de climatisation et de ventilation, l'automatisation des bâtiments et les applications industrielles.
Fonctions principales
-
Type de capteur : NTC (capteur externe)
-
Sorties : relais OUT et ALARM (NO+NC), 250 VAC, 2A
-
Fonction optionnelle : chauffage / refroidissement
-
Hystérésis réglable pour SET et ALARM
-
Temporisation de la sortie OUT pour le mode refroidissement
-
Temporisations ON/OFF réglables en cas de défaillance du capteur
-
Limites supérieure et inférieure pour les réglages SET et ALARM
-
Mémoire EEPROM pour le stockage des paramètres
-
Protection par mot de passe contre les modifications non autorisées des paramètres
-
Grande précision de mesure
Paramètres techniques
-
Plage de mesure : -30 ºC ... +150 ºC
-
Résolution/pas : 1 ºC
-
Alimentation et fonctionnement : format de montage sur panneau
-
Sorties de relais : 250 VAC / 2 A
Application : contrôle de la température dans les équipements industriels, climatisation et chauffage.
-
Contrôle de la température dans les équipements industriels, la climatisation et le chauffage
-
Surveillance des processus de température
-
Protection des équipements et automatisation des processus
-
Peut être utilisé avec trois types de capteurs disponibles dans l'e-shop
Télécharger sur
Paiement en ligne par carte - après avoir terminé votre commande, vous serez redirigé vers la passerelle de paiement, la confirmation de paiement vous sera envoyée par e-mail
Contre-remboursement - le paiement selon le bon de paiement sera effectué au livreur de la société de transport
Par virement - vous recevrez au plus tard le jour ouvrable suivant une facture pro forma par e-mail, sur laquelle vous trouverez le numéro de compte à indiquer lors du paiement.
Sur facture - cette option de paiement est réservée aux partenaires ayant signé un contrat-cadre avec notre société.
Si vous souhaitez utiliser les 2 dernières options, appelez notre responsable et il vous donnera des instructions sur la façon d'obtenir une facture avec ou sans TVA.
Les appareils électriques que nous fournissons répondent à des normes de qualité élevées, ont une garantie de 24 mois et satisfont à toutes les exigences de l'UE.
Nous offrons également la livraison gratuite pour les commandes supérieures à 100 €, ainsi qu’un système flexible de réductions et de promotions. Les connaissances techniques et l’expérience de nos employés nous permettent de fournir des conseils de haute qualité et, si nécessaire, de proposer des alternatives aux produits électriques.
Le matériel électrique que nous fournissons répond à des normes de qualité élevées, bénéficie d’une garantie de 24 mois et satisfait à toutes les exigences de l’UE.
En cas de réclamation, le retour de la marchandise n’entraîne aucun frais.

