
Recevoir un e‑mail lorsque ce produit sera disponible
- Description
- Instructions
- Modes de paiement
- Garantie
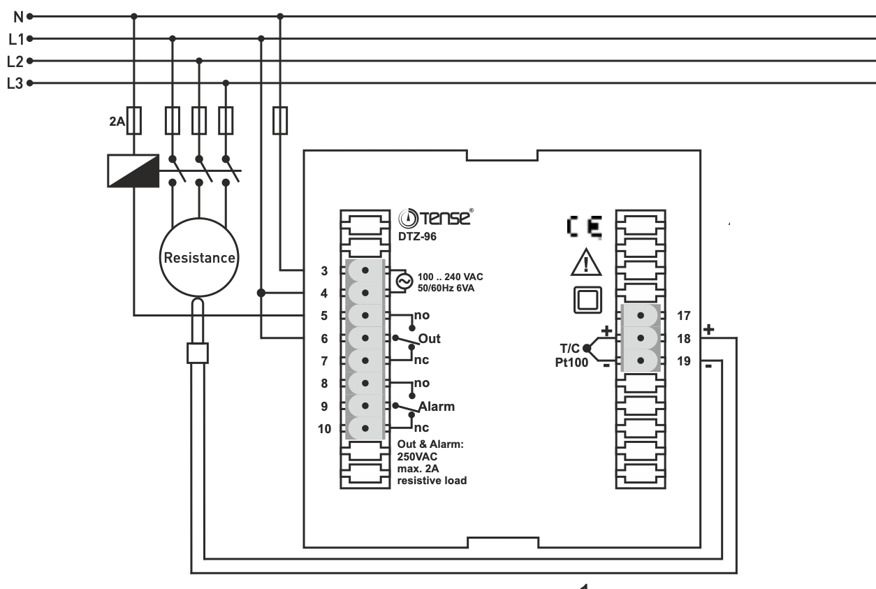
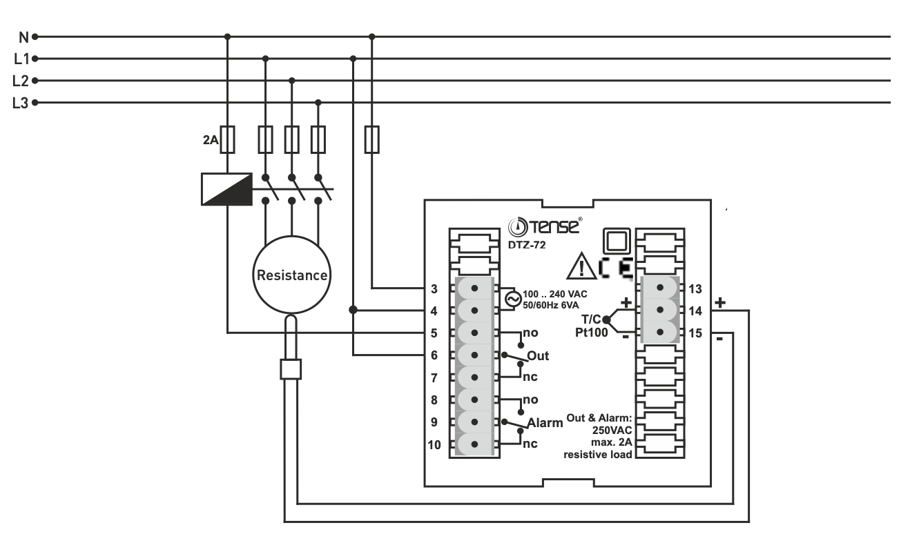
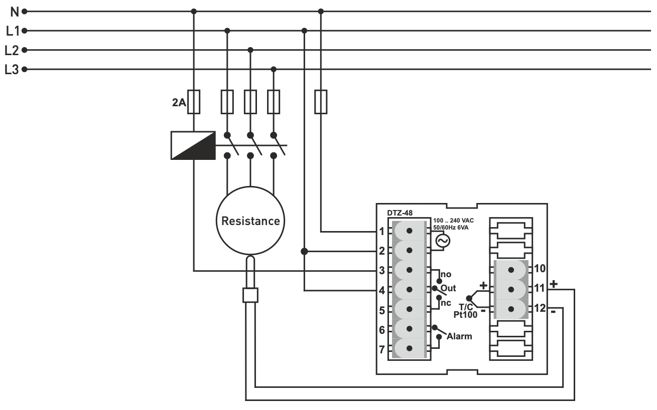
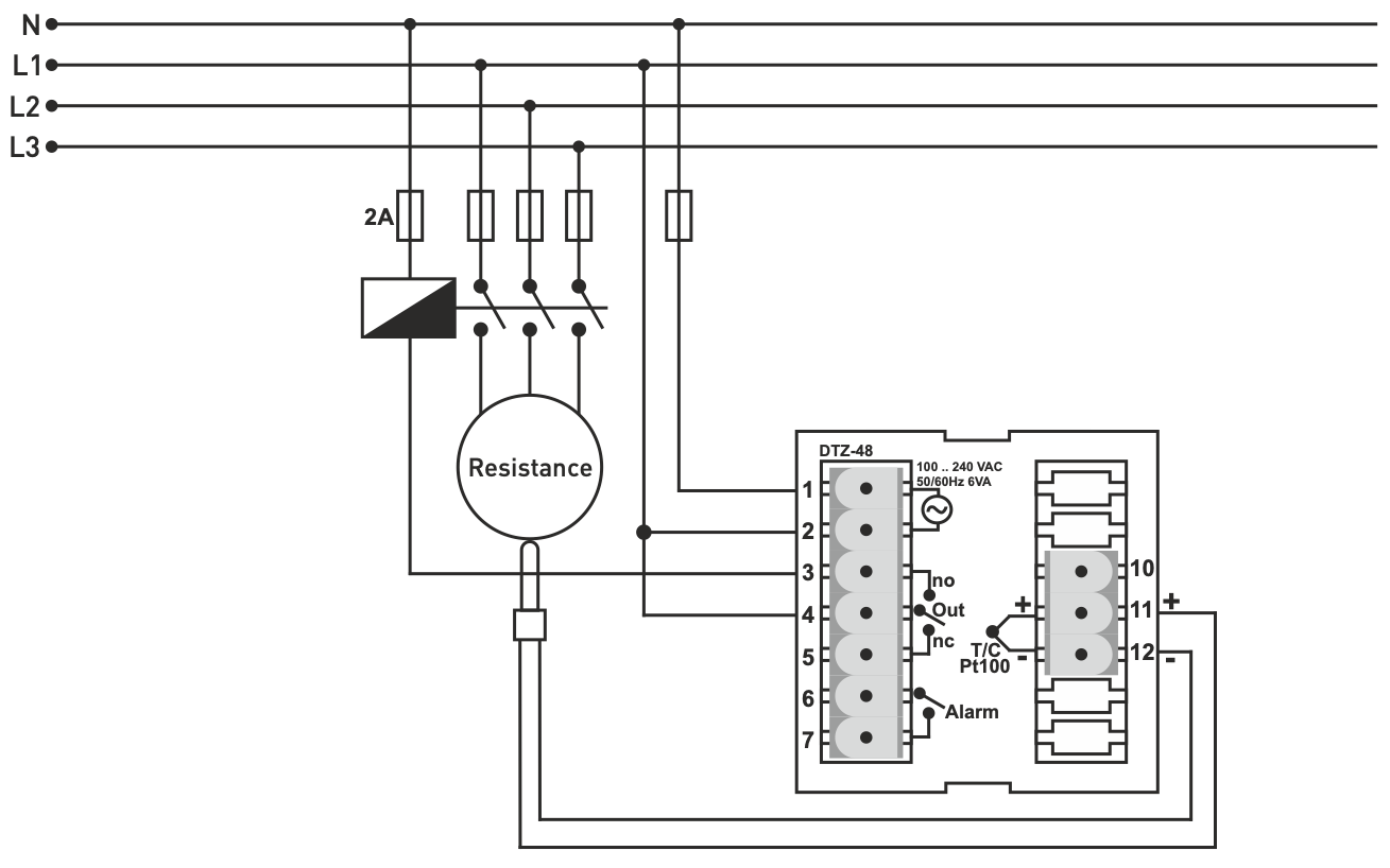
Régulateur de température à panneau PID - TENSE DTZ-48
DTZ-48 est un régulateur de température à panneau avec minuterie intégrée, conçu pour un contrôle précis des processus thermiques dans l'industrie, le chauffage, la climatisation, les systèmes de ventilation et l'automatisation des bâtiments.
Le contrôle s'effectue soit en mode ON/OFF classique, soit en mode PID avancé avec auto-optimisation et limitation du dépassement de la valeur du processus.
Caractéristiques principales
-
Plage de mesure de la température : -100 °C à +1750 °C (selon le type de capteur)
-
Type de capteur : thermocouples T/C (J, K, T, S, R) ou capteur résistif Pt100
-
Type de contrôle : P, PI, PD, PID ou ON-OFF
-
Minuterie intégrée pour le contrôle du processus
-
Réglage automatique des paramètres PID
-
Anti-windup - empêche la sortie de contrôle d'augmenter pendant la saturation
-
Retard d'activation de la sortie pour le mode refroidissement
-
Protection par mot de passe
-
Mémoire EEPROM pour le stockage des paramètres
-
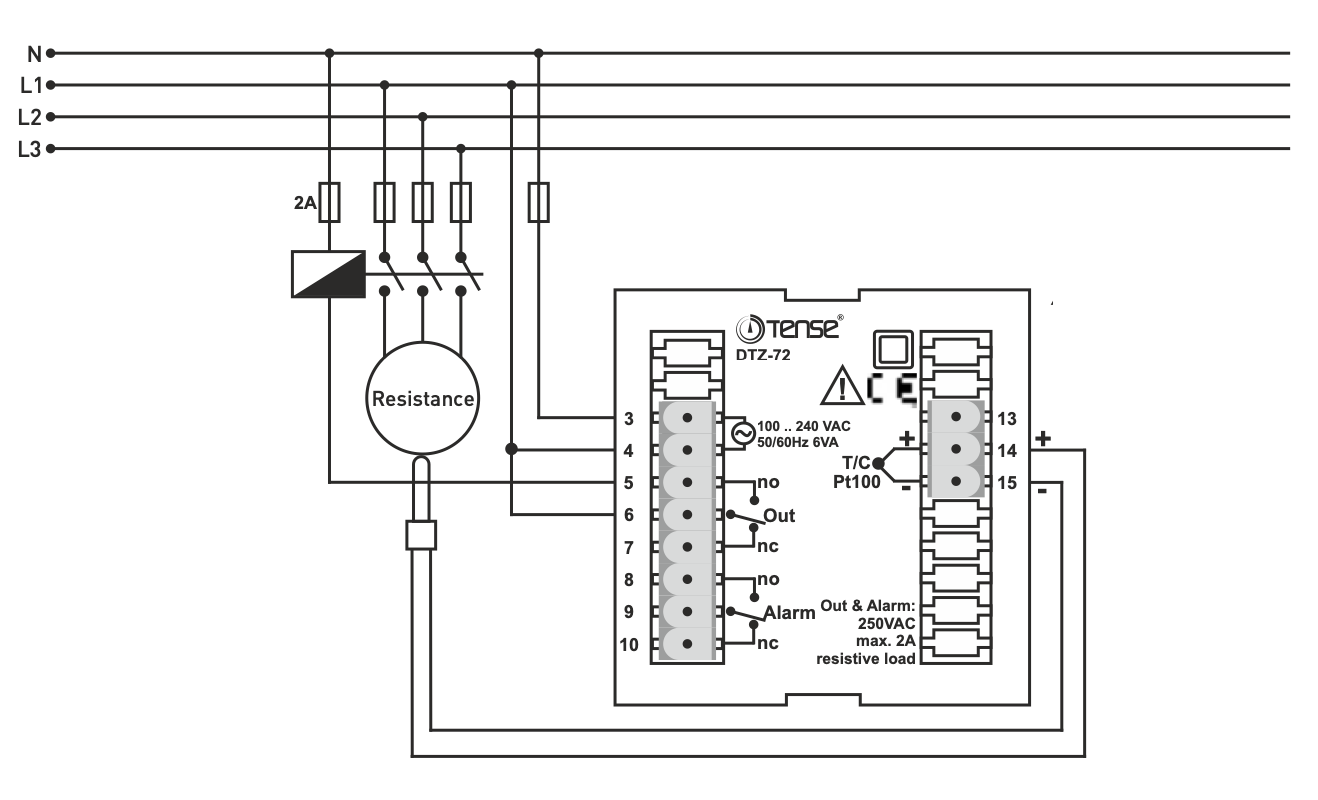
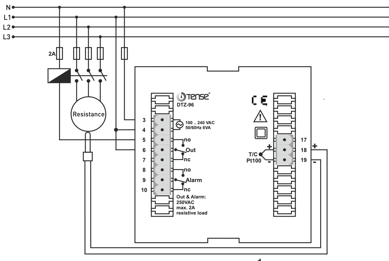
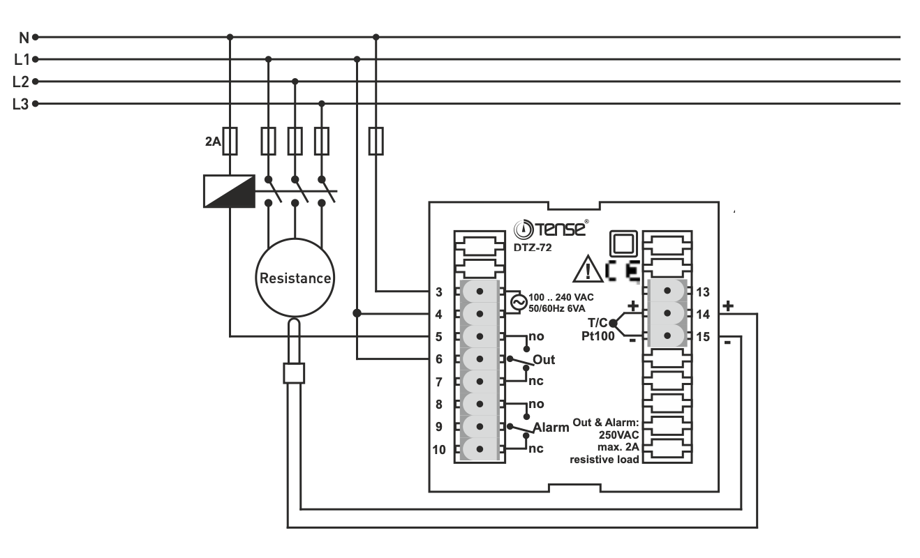
Sortie de contrôle : relais OUT (NO+NC) 250 VAC, 2A
-
Sortie d'alarme : relais ALARM (NO+NC) 250 VAC, 2A, actif en cas de dépassement ou de sous-valeur (ON uniquement sur DTZ-48)
-
Affichage : Contraste élevé, facile à lire même en cas de faible luminosité
Fonctions
-
Régulation précise de la température avec réglage de la plage de mesure spécifique au capteur
-
Le contrôleur permet l'affichage simultané du point de consigne et de la valeur réelle
-
La minuterie intégrée permet de programmer les processus de chauffage ou de refroidissement.
-
Relais d'alarme en cas de dépassement ou de non-atteinte de la valeur.
Capteur recommandé
-
Thermocouple type J Fe-Const (6/8 mètre)
-
Échelle de mesure : -100 °C à +600 °C
-
Longueurs de câble : 1 m, 1,5 m, 2 m, 2,5 m, 3 m, 4 m et 5 m
Applications
-
Contrôle du chauffage et du refroidissement dans les fours et les lignes industriels
-
Régulation de la température des machines et des équipements dans l'industrie alimentaire, chimique et légère
-
Automatisation des bâtiments et systèmes de climatisation
-
Applications nécessitant une sortie d'alarme fiable
Télécharger sur
Paiement en ligne par carte - après avoir terminé votre commande, vous serez redirigé vers la passerelle de paiement, la confirmation de paiement vous sera envoyée par e-mail
Contre-remboursement - le paiement selon le bon de paiement sera effectué au livreur de la société de transport
Par virement - vous recevrez au plus tard le jour ouvrable suivant une facture pro forma par e-mail, sur laquelle vous trouverez le numéro de compte à indiquer lors du paiement.
Sur facture - cette option de paiement est réservée aux partenaires ayant signé un contrat-cadre avec notre société.
Si vous souhaitez utiliser les 2 dernières options, appelez notre responsable et il vous donnera des instructions sur la façon d'obtenir une facture avec ou sans TVA.
Les appareils électriques que nous fournissons répondent à des normes de qualité élevées, ont une garantie de 24 mois et satisfont à toutes les exigences de l'UE.
Nous offrons également la livraison gratuite pour les commandes supérieures à 100 €, ainsi qu’un système flexible de réductions et de promotions. Les connaissances techniques et l’expérience de nos employés nous permettent de fournir des conseils de haute qualité et, si nécessaire, de proposer des alternatives aux produits électriques.
Le matériel électrique que nous fournissons répond à des normes de qualité élevées, bénéficie d’une garantie de 24 mois et satisfait à toutes les exigences de l’UE.
En cas de réclamation, le retour de la marchandise n’entraîne aucun frais.
