
Recevoir un e‑mail lorsque ce produit sera disponible
- Description
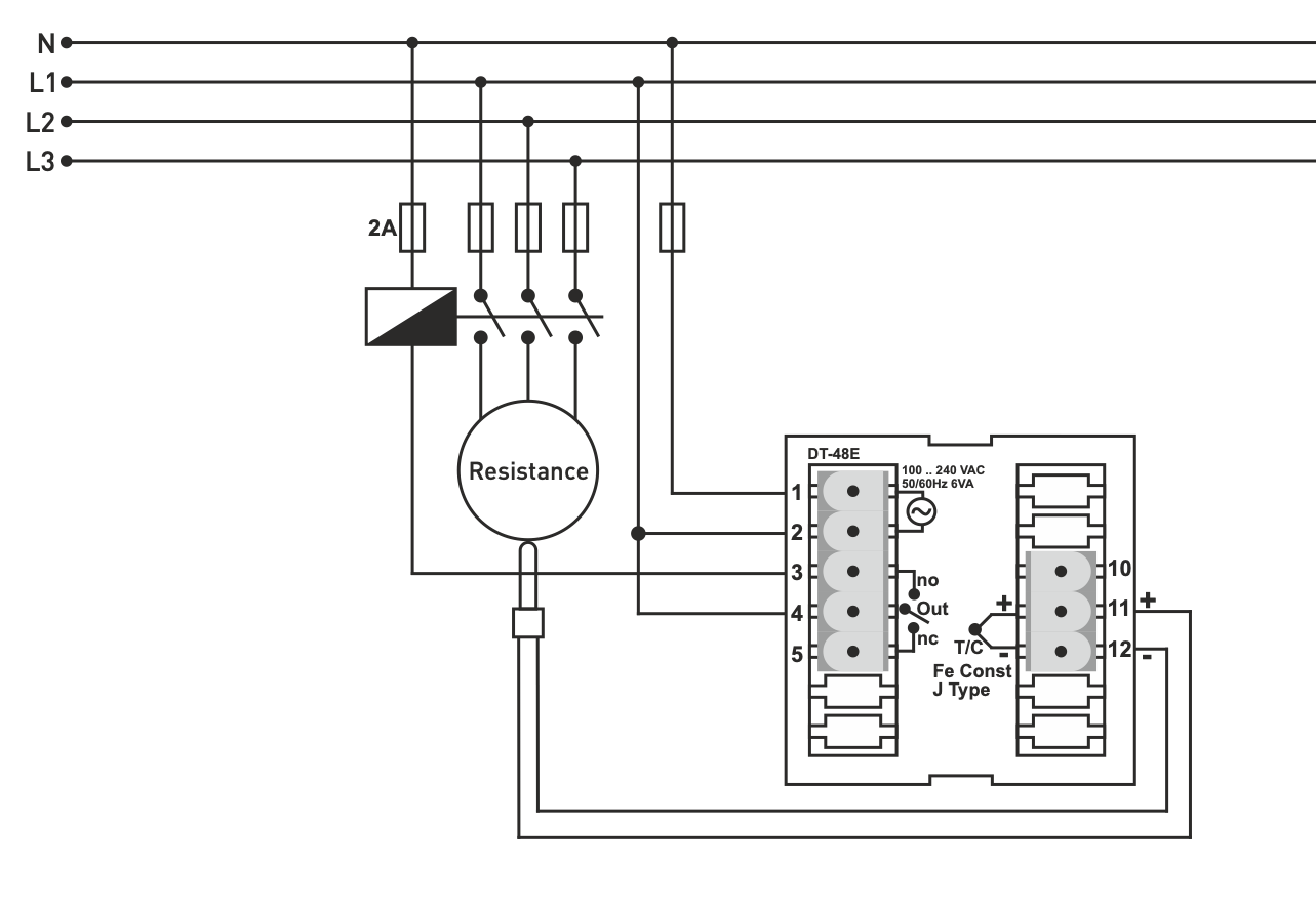
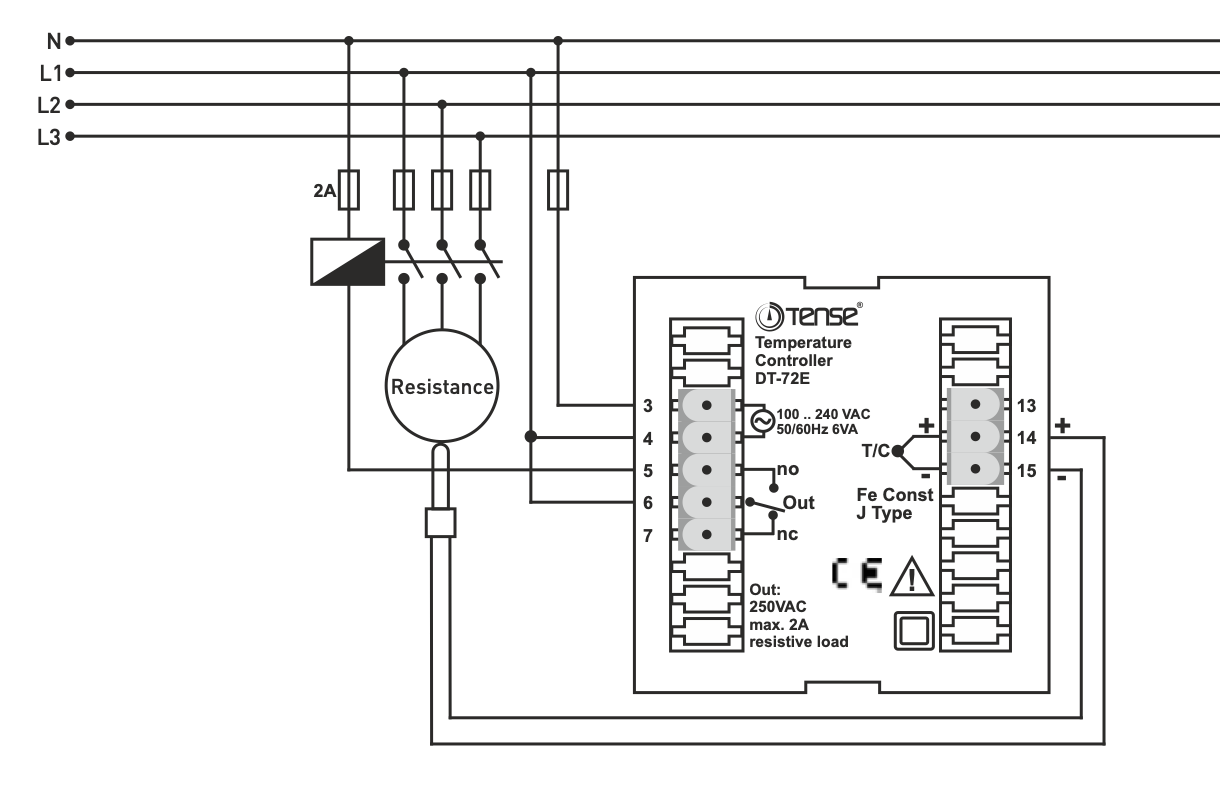
- Instructions
- Modes de paiement
- Garantie
Régulateur de température à panneau DT48-EM - PID & ON/OFF
Description du produit :
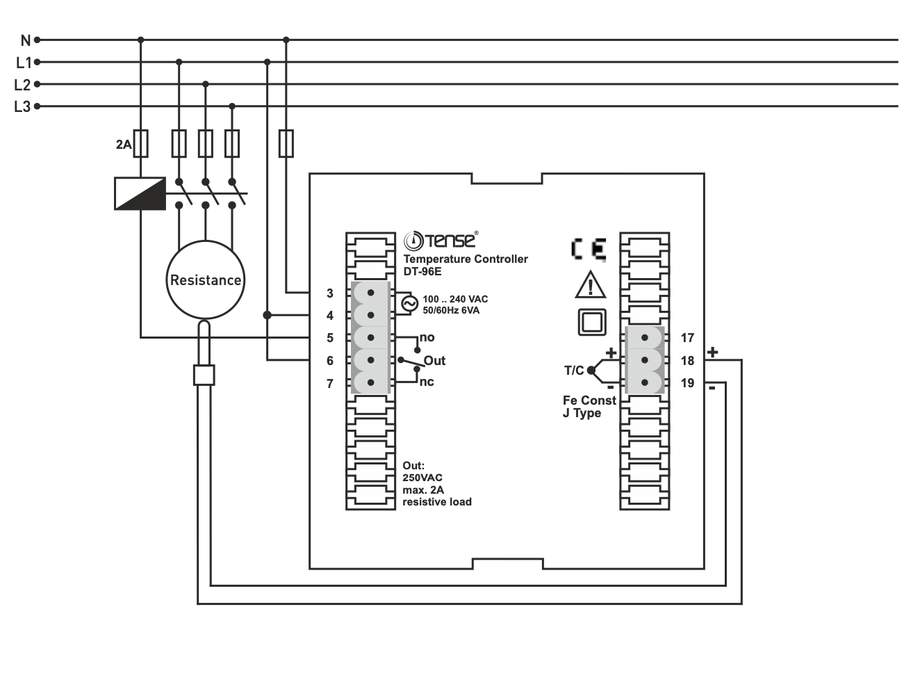
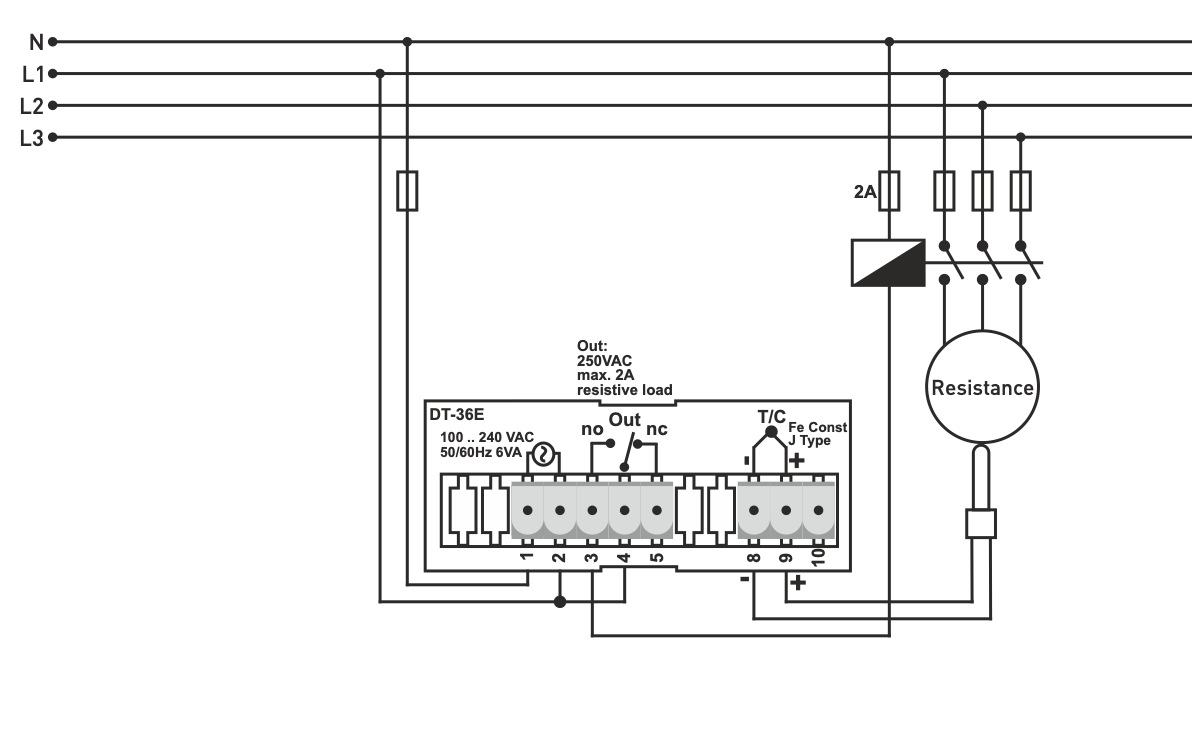
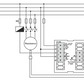
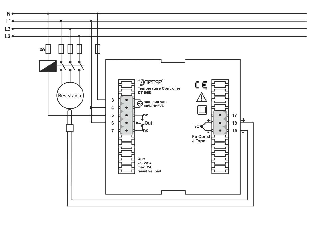
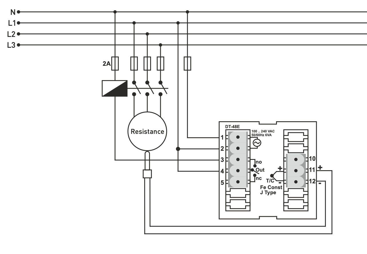
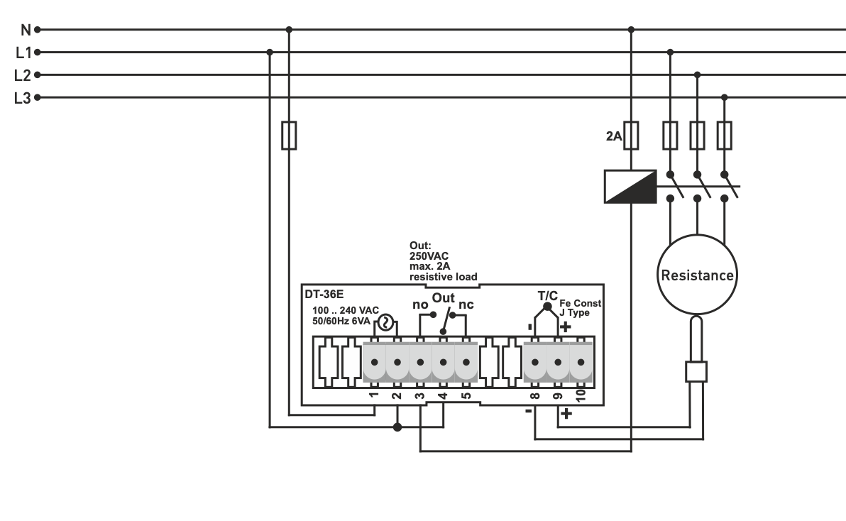
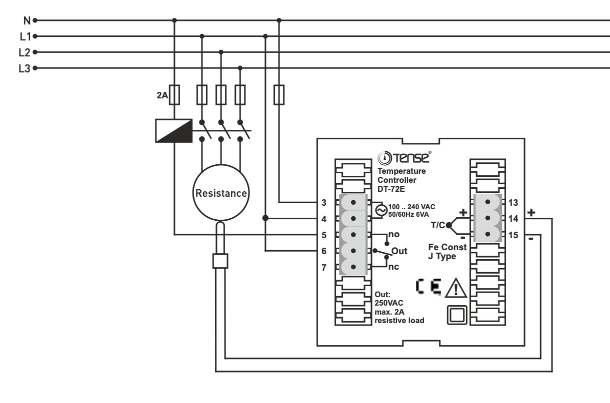
DT48-EM est un régulateur de température monocanal conçu pour le chauffage avec une entrée universelle. Il est utilisé pour un contrôle précis de la température dans les applications industrielles, les machines industrielles légères, la transformation des aliments, les fours et autres systèmes où un contrôle précis du chauffage est nécessaire.
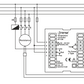
Entrées :
-
Capteur de résistance Pt100
-
Thermocouples (T/C) type J, K, T, R, S
Sorties :
-
Relais SPDT 2A / 250VAC pour charge résistive
-
Sortie numérique 12VDC / 20mA pour commande de relais SSR
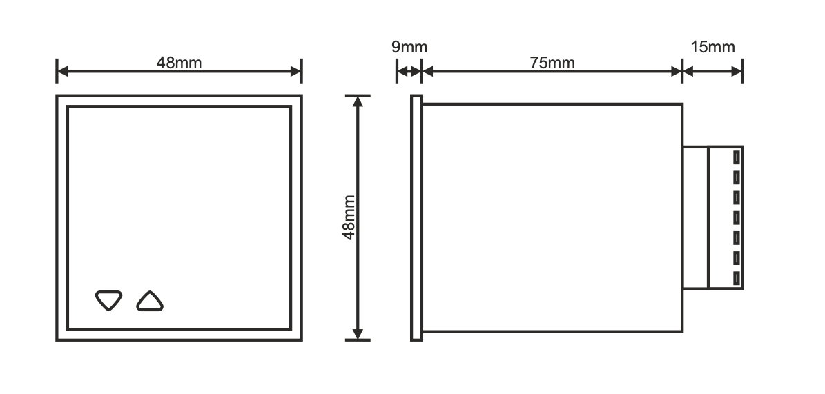
Dimensions :
-
Alimentation 230VAC.
Fonctions et caractéristiques
-
Contrôle : PID et ON/OFF, en option P, PI, PD
-
Réglage automatique du PID : auto-optimisation pour minimiser les dépassements.
-
Mode rampe : augmentation continue de la température à la mise sous tension
-
Anti-windup : protection contre l'augmentation de la sortie de contrôle en PID/PI
-
Limites supérieure et inférieure : pour définir la température SET souhaitée
-
Affichage sur deux lignes : Sv (point de consigne) et Pv (valeur réelle)
-
Compensation : soudure froide pour T/C, résistance de ligne pour Pt100
-
Conversion linéaire : tables °C/mV et °C/Ohm
-
Offset : décalage des valeurs sur l'ensemble de la plage
-
Protection par mot de passe : empêche toute modification indésirable des paramètres
-
Mémoire EEPROM : conserve les réglages même après une coupure de courant
-
Connexion facile : connecteurs enfichables de 5,08 mm
Plages de mesure selon le type de capteur
| Gamme (°C) | Type de capteur | Code INPt | ||
|---|---|---|---|---|
| -100 ... 600 | TLC, type J T/C | J | ||
| -100 ... 1300 | TXA, type K T/C | K | ||
| -100 ... 400 | TMKn, type T/C | T | ||
| 0 ... 1750 | type S T/C TPP | S | ||
| 0 ... 1750 | TPP, type R T/C | R | ||
| -100 ... 600 | Pt100 | Pt | ||
| -99.9 ... 600.0 | Pt100 | Pt | . | 0 |
Note :
Même si le régulateur peut mesurer des températures inférieures à -20 °C et supérieures à +55 °C, l'appareil lui-même doit être installé dans un environnement dont la température est comprise entre -20 et +55 °C, sous peine de déformation du boîtier en plastique et de défaillance du thermostat.
Paiement en ligne par carte - après avoir terminé votre commande, vous serez redirigé vers la passerelle de paiement, la confirmation de paiement vous sera envoyée par e-mail
Contre-remboursement - le paiement selon le bon de paiement sera effectué au livreur de la société de transport
Par virement - vous recevrez au plus tard le jour ouvrable suivant une facture pro forma par e-mail, sur laquelle vous trouverez le numéro de compte à indiquer lors du paiement.
Sur facture - cette option de paiement est réservée aux partenaires ayant signé un contrat-cadre avec notre société.
Si vous souhaitez utiliser les 2 dernières options, appelez notre responsable et il vous donnera des instructions sur la façon d'obtenir une facture avec ou sans TVA.
Les appareils électriques que nous fournissons répondent à des normes de qualité élevées, ont une garantie de 24 mois et satisfont à toutes les exigences de l'UE.
Nous offrons également la livraison gratuite pour les commandes supérieures à 100 €, ainsi qu’un système flexible de réductions et de promotions. Les connaissances techniques et l’expérience de nos employés nous permettent de fournir des conseils de haute qualité et, si nécessaire, de proposer des alternatives aux produits électriques.
Le matériel électrique que nous fournissons répond à des normes de qualité élevées, bénéficie d’une garantie de 24 mois et satisfait à toutes les exigences de l’UE.
En cas de réclamation, le retour de la marchandise n’entraîne aucun frais.
