
Recevoir un e‑mail lorsque ce produit sera disponible
- Description
- Instructions
- Modes de paiement
- Garantie
TENSE Multimètre de panneau triphasé - VAHz
Description de l'appareil
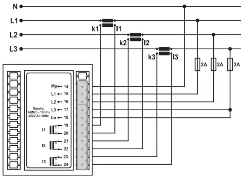
Le multimètre numérique triphasé TENSE est un appareil multifonctionnel permettant de contrôler les paramètres électriques des systèmes triphasés. L'instrument permet de mesurer la tension, le courant et la fréquence, de vérifier la connexion correcte des phases et convient aux équipements industriels, aux machines et aux systèmes de distribution de courant alternatif.
Principaux avantages
-
Mesure multifonctionnelle : I, U (L-L, L-N), Hz
-
Mesure indirecte du courant à travers les transformateurs de courant connectés
-
Surveillance des phases et vérification du câblage
-
Transformateur de mesure inclus sur les modèles EM-100D et EM-250D
-
Montage sur rail DIN standard
Plages de mesure
| Paramètres | Modèles EM-06 / EM-72 | EM-100D | EM-250D |
|---|---|---|---|
| Courant | 5/5 ... 9995/5 A (indirect) | 1 - 100 A | 2 - 250 A |
| Tension L-N | 1 - 300 V AC | 1 - 300 V AC | 1 - 300 V AC |
| Tension L-L | 1 - 500 V AC | 1 - 500 V AC | 1 - 500 V AC |
| Fréquence | 40 - 60 Hz | 40 - 60 Hz | 40 - 60 Hz |
Recommandations
-
Pour les modèles EM-06 et EM-72, nous recommandons les transformateurs de courant suivants :
60/5, 75/5, 100/5, 150/5, 200/5, 250/5, 300/5, 400/5, 500/5, 600/5, 800/5, 1000/5, 1500/5. -
Les transformateurs peuvent être achetés directement dans notre e-shop.
Télécharger sur
Paiement en ligne par carte - après avoir terminé votre commande, vous serez redirigé vers la passerelle de paiement, la confirmation de paiement vous sera envoyée par e-mail
Contre-remboursement - le paiement selon le bon de paiement sera effectué au livreur de la société de transport
Par virement - vous recevrez au plus tard le jour ouvrable suivant une facture pro forma par e-mail, sur laquelle vous trouverez le numéro de compte à indiquer lors du paiement.
Sur facture - cette option de paiement est réservée aux partenaires ayant signé un contrat-cadre avec notre société.
Si vous souhaitez utiliser les 2 dernières options, appelez notre responsable et il vous donnera des instructions sur la façon d'obtenir une facture avec ou sans TVA.
Les appareils électriques que nous fournissons répondent à des normes de qualité élevées, ont une garantie de 24 mois et satisfont à toutes les exigences de l'UE.
Nous offrons également la livraison gratuite pour les commandes supérieures à 100 €, ainsi qu’un système flexible de réductions et de promotions. Les connaissances techniques et l’expérience de nos employés nous permettent de fournir des conseils de haute qualité et, si nécessaire, de proposer des alternatives aux produits électriques.
Le matériel électrique que nous fournissons répond à des normes de qualité élevées, bénéficie d’une garantie de 24 mois et satisfait à toutes les exigences de l’UE.
En cas de réclamation, le retour de la marchandise n’entraîne aucun frais.
