
Recevoir un e‑mail lorsque ce produit sera disponible
- Description
- Instructions
- Modes de paiement
- Garantie
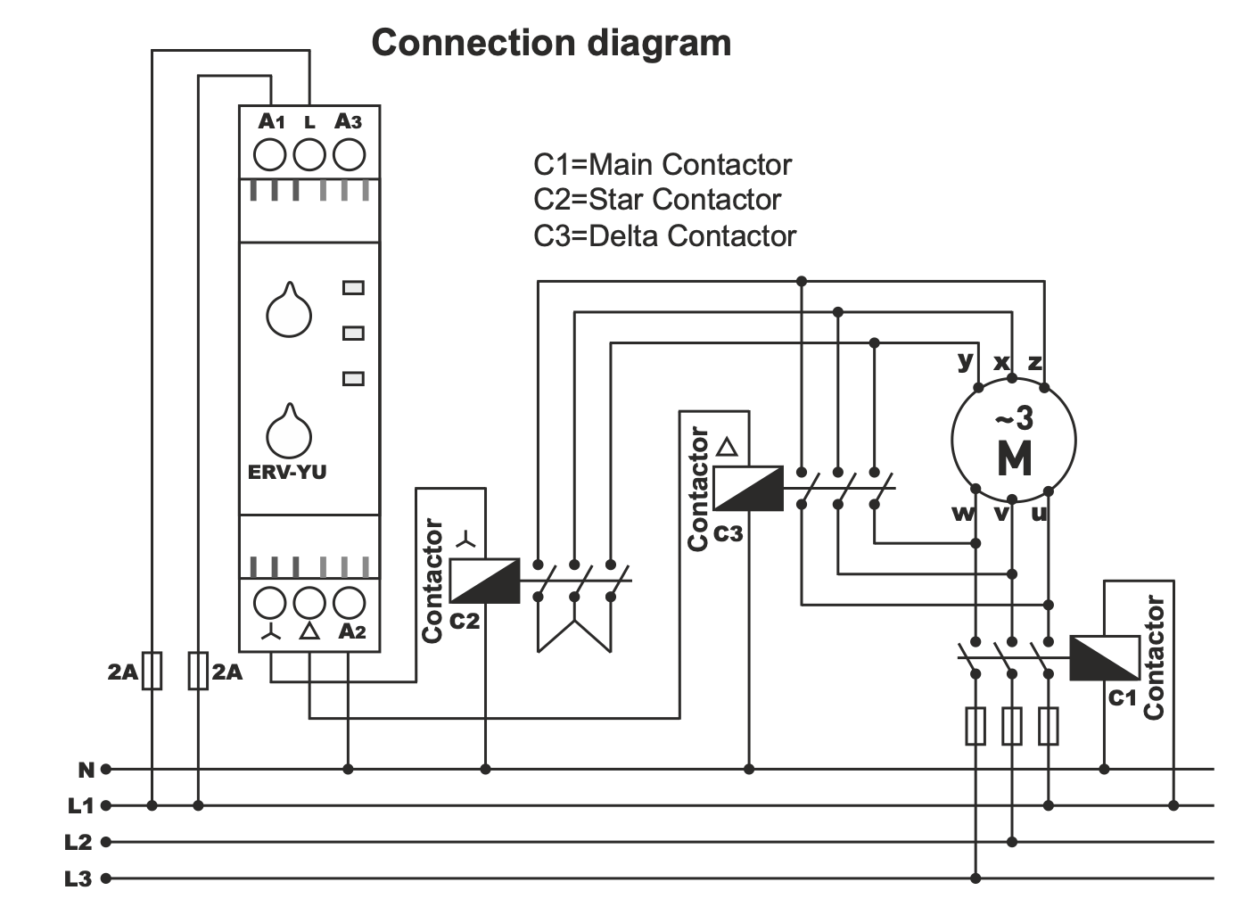
Relais pour modes de déclenchement étoile-triangle (ERV-YU)
Le relais de démarrage ERV-YU est conçu pour la commande automatique du démarrage des moteurs électriques en mode STAR-TRINAGON à la tension de fonctionnement de 24/220 V CA. Le relais assure un démarrage en douceur du moteur, réduit le courant de démarrage et prolonge la durée de vie de l'ensemble du système d'entraînement. Il est équipé d'une indication lumineuse des modes ON, STAR, TRIANGLE et permet de régler le temps de démarrage.
Description et principe de fonctionnement
Pour un démarrage en douceur du moteur électrique, le mode STAR est activé en premier, ce qui réduit l'appel de courant initial. Lorsque la vitesse requise est atteinte, le bobinage est automatiquement commuté en mode TRIPLE, dans lequel le moteur continue à fonctionner normalement.
La commutation automatique des modes par les relais et les contacteurs augmente la stabilité de l'ensemble du système et élimine les risques liés au fonctionnement manuel.
Lorsqu'une tension est appliquée aux bornes A1-A2 du relais :
-
Le contact STAR est activé, le voyant STAR s'allume et l'intervalle de démarrage t1 (0,1-30 s) commence à compter.
-
Une fois le temps t1 écoulé, le contact STAR est déconnecté, le voyant s'éteint et une courte pause t2 (15 ms) commence.
-
Ensuite, les contacts PHASE-TRIANGLE sont activés, le voyant TRIANGLE s'allume et le relais reste dans ce mode pendant toute la durée d'application de la tension aux bornes A1-A2.
Utilisation
Le relais ERV-YU convient pour :
-
la commande automatique de la commutation des moteurs en mode étoile-triangle
-
les applications industrielles exigeant un démarrage stable et sûr des moteurs
-
les systèmes où il est nécessaire de réduire le courant de démarrage et de protéger le réseau électrique.
Gamme complémentaire
Pour le relais, vous pouvez acheter
-
des contacteurs et des démarreurs
-
contacteurs avec verrouillage mécanique
-
modules de verrouillage mécanique autonomes
-
des boîtiers métalliques avec protection IP65
Tous ces produits sont disponibles directement sur stock à des prix compétitifs.
Paiement en ligne par carte - après avoir terminé votre commande, vous serez redirigé vers la passerelle de paiement, la confirmation de paiement vous sera envoyée par e-mail
Contre-remboursement - le paiement selon le bon de paiement sera effectué au livreur de la société de transport
Par virement - vous recevrez au plus tard le jour ouvrable suivant une facture pro forma par e-mail, sur laquelle vous trouverez le numéro de compte à indiquer lors du paiement.
Sur facture - cette option de paiement est réservée aux partenaires ayant signé un contrat-cadre avec notre société.
Si vous souhaitez utiliser les 2 dernières options, appelez notre responsable et il vous donnera des instructions sur la façon d'obtenir une facture avec ou sans TVA.
Les appareils électriques que nous fournissons répondent à des normes de qualité élevées, ont une garantie de 24 mois et satisfont à toutes les exigences de l'UE.
Nous offrons également la livraison gratuite pour les commandes supérieures à 100 €, ainsi qu’un système flexible de réductions et de promotions. Les connaissances techniques et l’expérience de nos employés nous permettent de fournir des conseils de haute qualité et, si nécessaire, de proposer des alternatives aux produits électriques.
Le matériel électrique que nous fournissons répond à des normes de qualité élevées, bénéficie d’une garantie de 24 mois et satisfait à toutes les exigences de l’UE.
En cas de réclamation, le retour de la marchandise n’entraîne aucun frais.
