
Recevoir un e‑mail lorsque ce produit sera disponible
- Description
- Instructions
- Modes de paiement
- Garantie
DJ-A96T - Ampèremètre numérique triphasé à panneau
L'ampèremètre numérique triphasé DJ-A96T est conçu pour une surveillance précise du courant dans les systèmes triphasés. Il peut afficher la charge instantanée sur chaque phase L1, L2, L3 en utilisant des transformateurs de courant externes. Il peut afficher la charge instantanée sur chaque phase L1, L2, L3 en utilisant des transformateurs de courant (TC) externes. L'appareil offre un affichage clair, une configuration simple et un fonctionnement fiable.
Caractéristiques principales
-
Mesure du courant dans les systèmes triphasés
-
Lecture séparée pour les phases L1, L2, L3
-
Mesure avec des transformateurs de courant externes
-
Réglage facile du rapport du transformateur de courant
-
Affichage large et lisible - 3×4 chiffres, hauteur 14 mm
-
Panneau compact
Paramètres techniques de l'ampèremètre
-
Tension d'alimentation : 230 V AC
-
Consommation de l'appareil : < 4 VA
-
Plage de mesure du courant : 0,1...5,5 A
-
Gamme de TC prise en charge : 5/5 A à 5000/5 A
-
Précision de la mesure : ±2%
-
Affichage : LED, 3×4 chiffres, hauteur 14 mm
-
Dimensions : 97,2 × 97,2 mm
-
Dimensions de la découpe : 91 × 91 mm
-
Profondeur : 45 mm
-
Les transformateurs de courant ne sont pas inclus dans l'emballage (ils peuvent être achetés séparément).
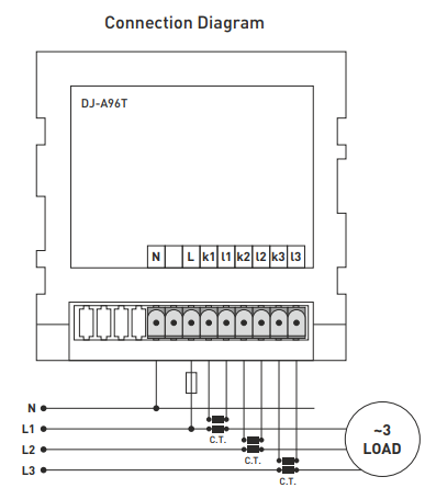
Principe de fonctionnement et réglages
-
Connecter l'appareil conformément au schéma de câblage.
-
Connecter les transformateurs de courant en fonction du courant prévu dans le système (conversion xxxx/5 A).
-
Connecter les fils du TC aux bornes "kx" et "lx". La sortie du TC ne doit pas dépasser 5 A.
-
Après avoir mis l'appareil sous tension, maintenez la touche "Menu" enfoncée pendant 2 secondes.
-
Utilisez les boutons Haut/Bas pour régler la conversion des TC utilisés.
-
Sauvegardez les réglages en appuyant longuement sur le bouton "Menu".
-
Lorsque la charge est connectée, l'ampèremètre commence à mesurer et à afficher le courant.
Note : Les transformateurs de courant doivent toujours être mis à la terre pour des raisons de sécurité.
Caractéristiques techniques du relais de sortie statique
(Cette fois, les paramètres énumérés correspondent au relais de sortie statique - s'il doit être séparé, je peux le diviser).
-
Type de relais : statique
-
Tension de commande (entrée) : 3...32 V DC
-
Tension de commutation : 24...480 V AC (ne convient pas aux moteurs)
-
Chute de tension de commutation : < 3 V
-
Courant de déclenchement : 5 mA
-
Tension de la bobine : 3...32 V DC
-
Courant de commutation maximal : 25 A
-
Résistance d'isolation : 2500 V AC
-
Méthode de commutation : enclenchement lorsque le courant passe par le point zéro
Paiement en ligne par carte - après avoir terminé votre commande, vous serez redirigé vers la passerelle de paiement, la confirmation de paiement vous sera envoyée par e-mail
Contre-remboursement - le paiement selon le bon de paiement sera effectué au livreur de la société de transport
Par virement - vous recevrez au plus tard le jour ouvrable suivant une facture pro forma par e-mail, sur laquelle vous trouverez le numéro de compte à indiquer lors du paiement.
Sur facture - cette option de paiement est réservée aux partenaires ayant signé un contrat-cadre avec notre société.
Si vous souhaitez utiliser les 2 dernières options, appelez notre responsable et il vous donnera des instructions sur la façon d'obtenir une facture avec ou sans TVA.
Les appareils électriques que nous fournissons répondent à des normes de qualité élevées, ont une garantie de 24 mois et satisfont à toutes les exigences de l'UE.
Nous offrons également la livraison gratuite pour les commandes supérieures à 100 €, ainsi qu’un système flexible de réductions et de promotions. Les connaissances techniques et l’expérience de nos employés nous permettent de fournir des conseils de haute qualité et, si nécessaire, de proposer des alternatives aux produits électriques.
Le matériel électrique que nous fournissons répond à des normes de qualité élevées, bénéficie d’une garantie de 24 mois et satisfait à toutes les exigences de l’UE.
En cas de réclamation, le retour de la marchandise n’entraîne aucun frais.
