
Recevoir un e‑mail lorsque ce produit sera disponible
- Description
- Instructions
- Modes de paiement
- Garantie
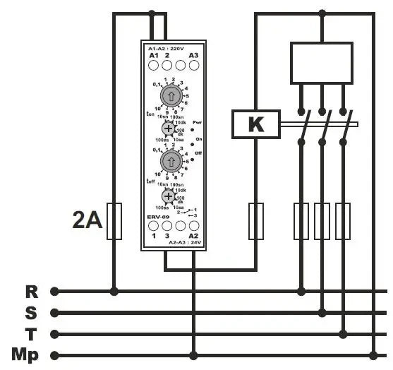
Relais cyclique ERV-09D - TENSE (Turquie)
Le relais de signalisation et cyclique ERV-09D est conçu pour les applications où un contrôle alternatif (marche-arrêt) de l' équipement est nécessaire. Il convient aux installations industrielles, aux lignes de production, aux immeubles d'habitation et de bureaux, ou à toute situation nécessitant une commutation périodique de la charge.
Caractéristiques principales
-
Alimentation universelle : 230 V AC ou 12 V DC
-
Durée de fonctionnement réglable (ON) : 1 s - 99 min
-
Temps de veille réglable (OFF) : 1 s - 99 min
-
L'écran affiche les réglages actuels et le compte à rebours
-
Indication ON = temps de fonctionnement, OFF = temps de veille
-
Montage sur rail DIN
-
Faible consommation électrique : < 6 VA
-
Compact et léger : poids < 80 g
Fonctions et commandes
-
Double mode : ON/OFF
-
Le compte à rebours de la durée réglée s'affiche sur l'écran LED.
-
Si la durée est réglée en minutes, le point à droite clignote pour faciliter l'orientation.
-
Idéal pour faire fonctionner des lampes, des ventilateurs, des moteurs et d'autres appareils.
Caractéristiques techniques
| Paramètre | Valeur |
|---|---|
| Tension de fonctionnement | 100-240 V AC (A1-A2), 12 V DC (A2(-)/A3(+)) |
| Fréquence de fonctionnement | 50/60 Hz |
| Puissance de fonctionnement | <6 VA |
| Température de fonctionnement | de -20 °C à +55 °C |
| Intervalle de temps | 0,1 s - 99 min |
| Affichage | 2×2 LED + 1 LED d'indication |
| Contact | 5 A / 250 V AC, charge résistive |
| Montage | Rail DIN |
| Poids | <80 g |
| Altitude de fonctionnement | <2000 m |
| Diamètre du câble | jusqu'à 2,5 mm² |
Le relais ERV-09D offre une commutation cyclique fiable et précise avec une configuration facile et une visualisation des temps directement sur l'écran, ce qui le rend adapté aux applications industrielles et domestiques.
Paiement en ligne par carte - après avoir terminé votre commande, vous serez redirigé vers la passerelle de paiement, la confirmation de paiement vous sera envoyée par e-mail
Contre-remboursement - le paiement selon le bon de paiement sera effectué au livreur de la société de transport
Par virement - vous recevrez au plus tard le jour ouvrable suivant une facture pro forma par e-mail, sur laquelle vous trouverez le numéro de compte à indiquer lors du paiement.
Sur facture - cette option de paiement est réservée aux partenaires ayant signé un contrat-cadre avec notre société.
Si vous souhaitez utiliser les 2 dernières options, appelez notre responsable et il vous donnera des instructions sur la façon d'obtenir une facture avec ou sans TVA.
Les appareils électriques que nous fournissons répondent à des normes de qualité élevées, ont une garantie de 24 mois et satisfont à toutes les exigences de l'UE.
Nous offrons également la livraison gratuite pour les commandes supérieures à 100 €, ainsi qu’un système flexible de réductions et de promotions. Les connaissances techniques et l’expérience de nos employés nous permettent de fournir des conseils de haute qualité et, si nécessaire, de proposer des alternatives aux produits électriques.
Le matériel électrique que nous fournissons répond à des normes de qualité élevées, bénéficie d’une garantie de 24 mois et satisfait à toutes les exigences de l’UE.
En cas de réclamation, le retour de la marchandise n’entraîne aucun frais.
