
Recevoir un e‑mail lorsque ce produit sera disponible
- Description
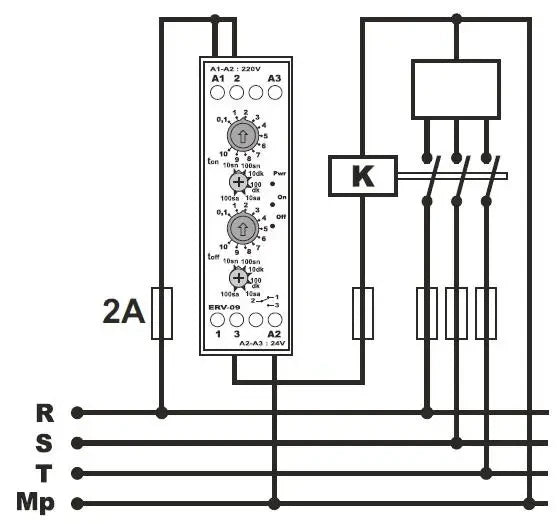
- Instructions
- Modes de paiement
- Garantie
Relais temporisé - Relais cyclique / Blinkr (cycle symétrique / asymétrique)
Description du produit
Le relais temporisé cyclique est conçu pour l'allumage et l'extinction périodiques de charges électriques telles que des lumières, des ventilateurs, des pompes ou des dispositifs de signalisation. Il permet de régler indépendamment la durée de l'impulsion et de la pause et de fonctionner en mode symétrique ou asymétrique. Il convient à l'automatisation des commandes, à la ventilation, à l'éclairage temporisé ou aux applications publicitaires.
Caractéristiques principales
-
Fonctionnement cyclique avec temps de marche et de pause réglables
-
Mode clignotant : au début d'une impulsion ou au début d'une pause
-
Cycle de fonctionnement symétrique/asymétrique
-
Contact de sortie commutable
-
Possibilité de démarrer le cycle par une impulsion ou une pause
-
Fonctionnement stable pour le contrôle automatique des systèmes
-
Montage sur rail DIN 35 mm
Application
-
Ventilation régulière de locaux
-
Séchage cyclique de l'humidité
-
Contrôle de l'éclairage publicitaire, des panneaux clignotants
-
Contrôle des pompes de circulation
-
Commutation périodique de la ventilation ou du chauffage
-
Signal lumineux ou sonore d'urgence
-
Allumage progressif des équipements électriques en cas de baisse de puissance
Avantages
-
Réglage simple des horaires
-
Grande souplesse d'utilisation
-
Contrôle sûr et fiable des circuits électriques
-
Convient aux armoires de commande domestiques et industrielles
Installation de l'appareil
-
Installation sur rail DIN standard de 35 mm
Paiement en ligne par carte - après avoir terminé votre commande, vous serez redirigé vers la passerelle de paiement, la confirmation de paiement vous sera envoyée par e-mail
Contre-remboursement - le paiement selon le bon de paiement sera effectué au livreur de la société de transport
Par virement - vous recevrez au plus tard le jour ouvrable suivant une facture pro forma par e-mail, sur laquelle vous trouverez le numéro de compte à indiquer lors du paiement.
Sur facture - cette option de paiement est réservée aux partenaires ayant signé un contrat-cadre avec notre société.
Si vous souhaitez utiliser les 2 dernières options, appelez notre responsable et il vous donnera des instructions sur la façon d'obtenir une facture avec ou sans TVA.
Les appareils électriques que nous fournissons répondent à des normes de qualité élevées, ont une garantie de 24 mois et satisfont à toutes les exigences de l'UE.
Nous offrons également la livraison gratuite pour les commandes supérieures à 100 €, ainsi qu’un système flexible de réductions et de promotions. Les connaissances techniques et l’expérience de nos employés nous permettent de fournir des conseils de haute qualité et, si nécessaire, de proposer des alternatives aux produits électriques.
Le matériel électrique que nous fournissons répond à des normes de qualité élevées, bénéficie d’une garantie de 24 mois et satisfait à toutes les exigences de l’UE.
En cas de réclamation, le retour de la marchandise n’entraîne aucun frais.
