
Recevoir un e‑mail lorsque ce produit sera disponible
- Description
- Instructions
- Modes de paiement
- Garantie
Compteur d'impulsions DS-48 - 2× affichage, 2 entrées, sortie relais
Description du produit
Le compteur d'impulsions DS-48 est un compteur universel à deux entrées, équipé de deux afficheurs LED à 4 chiffres (valeur actuelle + valeur cible). Il peut compter, soustraire et traiter des signaux provenant de commutateurs mécaniques, de capteurs inductifs PNP/NPN et de codeurs incrémentaux. Son large choix de fonctions d'entrée et de sortie le rend adapté aux systèmes d'automatisation industrielle, aux lignes de production, aux stations de mesure et au contrôle des processus.
Caractéristiques principales
-
2× affichage LED à 4 chiffres et 7 segments
-
1× sortie relais OUT + sortie SSR
-
Modes multiples : comptage, compte à rebours, addition à partir d'entrées multiples, contrôle via une deuxième entrée
-
Prise en charge des interrupteurs mécaniques, des capteurs PNP/NPN et des encodeurs
-
Fréquence d'entrée sélectionnable : 20 / 50 / 2500 / 7500 Hz
-
Protection du réglage Hesla
-
Mémoire EEPROM - conservation des données en cas de panne de courant
-
Possibilité de régler l'OFFSET et le point décimal
-
Rétablissement automatique de la dernière valeur après une coupure de courant
Fonction
Fonction d'entrée (7 modes) :
-
Compte à rebours
-
Compte à rebours
-
Addition de deux entrées simultanées
-
Pause contrôlée par la deuxième entrée
-
Négation de l'entrée
-
Comptage à partir du front montant / descendant
-
Combinaisons : addition à partir d'un front, soustraction à partir de l'autre, négation, etc.
Fonctions de sortie (9 modes) :
-
Déclenchement du relais après avoir atteint la cible
-
Maintien à la réinitialisation (RESET)
-
Sortie d'impulsion 0,1-999,9 s
-
Contrôle via la sortie SSR (NPN)
Paramètres techniques
Affichage et dimensions
-
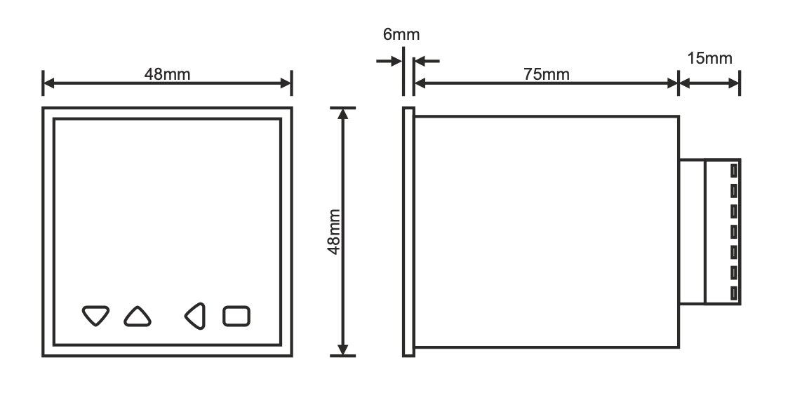
Dimensions : 48 × 48 × 96 mm
-
Trou de montage : 44 × 44 mm
-
Affichage : 2 × 4 chiffres LED
Entrées
-
Nombre d'entrées : 2
-
Types d'entrées : interrupteur mécanique, capteur PNP/NPN, sortie codeur NPN/PNP/totem-pôle
-
Tension d'entrée : 5-30 V
-
Fréquence d'entrée maximale : 7500 Hz
-
Fréquences sélectionnables : 20 / 50 / 2500 / 7500 Hz
-
Entrée de réinitialisation : PNP, min. 10 ms, borne 12
-
Alimentation du capteur : 12 VDC / 50 mA (max)
Sorties
-
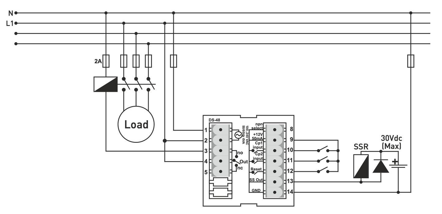
1× relais SPDT 250 VAC, 2 A (charge résistive) - COM (4), NO (3), NC (5)
-
1× SSR de contrôle (NPN, max. 100 mA, 30 V) - bornes 13 (SSout), 14 (GND)
Alimentation électrique
-
100-240 V AC, 50/60 Hz
-
Consommation électrique : < 8 VA
Conditions de fonctionnement
-
Température de fonctionnement : -20 °C à +55 °C
-
Altitude maximale : 2000 m
Caractéristiques particulières
-
Lamémoire EEPROM conserve tous les réglages et les comptages actuels après une coupure de courant.
-
OFFSET réglable de la valeur de comptage
-
Protection par mot de passe contre les changements de paramètres non désirés
-
Point décimal sélectionnable (0 / 0,0 / 0,00 / 0,000)
Recommandations d'installation
-
Utiliser des câbles de signaux blindés et torsadés, mettre le blindage à la terre.
-
Séparer les fils de signaux des câbles de puissance et d'alimentation.
-
Utiliser un fusible F250 mA / 250 VAC sur l'entrée d'alimentation
-
Protéger l'équipement de l'humidité, des vibrations, de la poussière et des températures extrêmes.
-
Pour les interrupteurs mécaniques, il est recommandé de régler la fréquence d'entrée sur 20 Hz.
-
En cas d'utilisation de deux entrées :
Mode Phs4 → max. ¼ de la fréquence d'entrée
Modes 1u2u, 1u2d, Phs2 → max. ½ fréquence d'entrée
Paiement en ligne par carte - après avoir terminé votre commande, vous serez redirigé vers la passerelle de paiement, la confirmation de paiement vous sera envoyée par e-mail
Contre-remboursement - le paiement selon le bon de paiement sera effectué au livreur de la société de transport
Par virement - vous recevrez au plus tard le jour ouvrable suivant une facture pro forma par e-mail, sur laquelle vous trouverez le numéro de compte à indiquer lors du paiement.
Sur facture - cette option de paiement est réservée aux partenaires ayant signé un contrat-cadre avec notre société.
Si vous souhaitez utiliser les 2 dernières options, appelez notre responsable et il vous donnera des instructions sur la façon d'obtenir une facture avec ou sans TVA.
Les appareils électriques que nous fournissons répondent à des normes de qualité élevées, ont une garantie de 24 mois et satisfont à toutes les exigences de l'UE.
Nous offrons également la livraison gratuite pour les commandes supérieures à 100 €, ainsi qu’un système flexible de réductions et de promotions. Les connaissances techniques et l’expérience de nos employés nous permettent de fournir des conseils de haute qualité et, si nécessaire, de proposer des alternatives aux produits électriques.
Le matériel électrique que nous fournissons répond à des normes de qualité élevées, bénéficie d’une garantie de 24 mois et satisfait à toutes les exigences de l’UE.
En cas de réclamation, le retour de la marchandise n’entraîne aucun frais.
