
Recevoir un e‑mail lorsque ce produit sera disponible
- Description
- Instructions
- Modes de paiement
- Garantie
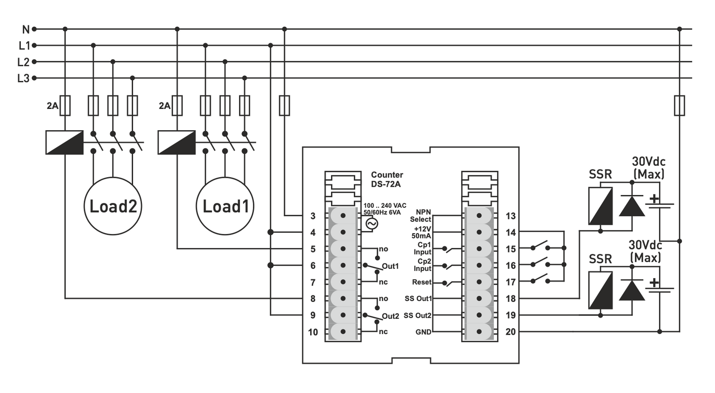
DS-72A compteur d'impulsions - 2×6-digit LED display, 2× relais, 2× SSR output
Description du produit
Le compteur d'impulsions DS-72A est un appareil professionnel conçu pour le comptage précis des impulsions provenant d'interrupteurs mécaniques, d'interrupteurs de fin de course, de capteurs inductifs PNP/NPN et d'encodeurs incrémentaux. Il prend en charge le comptage ascendant et descendant, offre une combinaison de fonctions d'entrée et une configuration de sortie flexible.
Avec un double affichage LED à 6 chiffres et la possibilité de régler les valeurs PRESET1 et PRESET2, il fournit un aperçu clair de la valeur de comptage et de la valeur cible. La mémoire EEPROM permet de conserver les réglages même après une coupure de courant.
Fonctions principales
-
2× écran LED à 6 chiffres pour l'affichage de la valeur actuelle et de PRESET
-
2× relais de sortie (SPDT)
-
2× sortie SSR (NPN, max. 30 V / 100 mA)
-
Comptage ascendant/descendant
-
Protection par mot de passe
-
Fréquence d'entrée réglable : 20, 50, 2500, 7500 Hz
-
Constante d'étalonnage : 0,00001 à 9,99999
-
Point décimal sélectionnable : 0 / 0,0 / 0,00 / 0,000
-
Combinaison possible de fonctions : addition, soustraction, pause, négation d'entrée, combinaison de fronts
-
Valeurs "OFFSET" réglables
-
PRESET1 avec option valeur absolue/relative
-
Mémorisation de l'état et de la valeur du relais de sortie après une coupure de courant
Paramètres techniques
-
Dimensions / ouverture : 72×72×94 mm / 67×67 mm
-
Affichage LED : 2× 6 chiffres à 7 segments
-
LED d'indication : 5× (OUT1, OUT2, Finger1, Finger2, Batch)
-
Entrées : 2× (5-30 V, max. 7500 Hz)
-
Types d'entrée : interrupteur mécanique, capteur inductif PNP/NPN, encodeur NPN/PNP/totem-pôle
-
Entrée de réinitialisation : PNP, min. 10 ms, 5-30 V
-
Sorties relais : 2× SPDT 250 VAC, 2 A (charge résistive)
-
Sorties SSR : 2× NPN, max. 30 V / 100 mA
-
Alimentation du capteur : 12 VDC, max. 50 mA
-
Alimentation de l'appareil : 100-240 VAC, 50-60 Hz
-
Consommation électrique : < 8 VA
-
Température de fonctionnement : -20°C ... +55°C
-
Altitude : < 2000 m
Application : Comptage d'impulsions mécaniques et électriques
-
Comptage d'impulsions d'équipements mécaniques et électriques
-
Surveillance de la production et des machines
-
Contrôle des encodeurs et des processus mécaniques
-
Applications industrielles nécessitant des mesures précises et des sorties relais/SSR
Installation et sécurité
-
Montage sur panneau ou en armoire
-
Utiliser des câbles de signaux blindés et torsadés, mettre le blindage à la terre.
-
Tenir les câbles à l'écart des effets du bruit électrique, des disjoncteurs et des charges inductives.
-
Protéger l'équipement de l'humidité, des vibrations, de la saleté et des températures extrêmes
-
Utiliser un fusible F250 mA / 250 VAC sur l'entrée d'alimentation
-
Respecter les règles de sécurité et utiliser des câbles appropriés
Paiement en ligne par carte - après avoir terminé votre commande, vous serez redirigé vers la passerelle de paiement, la confirmation de paiement vous sera envoyée par e-mail
Contre-remboursement - le paiement selon le bon de paiement sera effectué au livreur de la société de transport
Par virement - vous recevrez au plus tard le jour ouvrable suivant une facture pro forma par e-mail, sur laquelle vous trouverez le numéro de compte à indiquer lors du paiement.
Sur facture - cette option de paiement est réservée aux partenaires ayant signé un contrat-cadre avec notre société.
Si vous souhaitez utiliser les 2 dernières options, appelez notre responsable et il vous donnera des instructions sur la façon d'obtenir une facture avec ou sans TVA.
Les appareils électriques que nous fournissons répondent à des normes de qualité élevées, ont une garantie de 24 mois et satisfont à toutes les exigences de l'UE.
Nous offrons également la livraison gratuite pour les commandes supérieures à 100 €, ainsi qu’un système flexible de réductions et de promotions. Les connaissances techniques et l’expérience de nos employés nous permettent de fournir des conseils de haute qualité et, si nécessaire, de proposer des alternatives aux produits électriques.
Le matériel électrique que nous fournissons répond à des normes de qualité élevées, bénéficie d’une garantie de 24 mois et satisfait à toutes les exigences de l’UE.
En cas de réclamation, le retour de la marchandise n’entraîne aucun frais.
