
Recevoir un e‑mail lorsque ce produit sera disponible
- Description
- Instructions
- Modes de paiement
- Garantie
Analyseur de réseau triphasé / Analyseur de réseau / Analyseur de réseau - panel meter numérique multifonction, indicateur de courant, tension, fréquence et puissance totale, avec sortie relais, RS485 ModBus RTU - TPM-04SHDL fabricant TENSE (Turquie) panel meters.
Les analyseurs de puissance sont conçus pour mesurer et surveiller les valeurs électriques. Grâce à la fonction de communication, les valeurs énergétiques mesurées peuvent être contrôlées et rapportées indépendamment. Les analyseurs de puissance permettent d'effectuer des analyses telles que la qualité de l'énergie, l'efficacité et le calcul du coût unitaire.
Principaux avantages :
- RS485 Modbus RTU (1200-19200b/s)
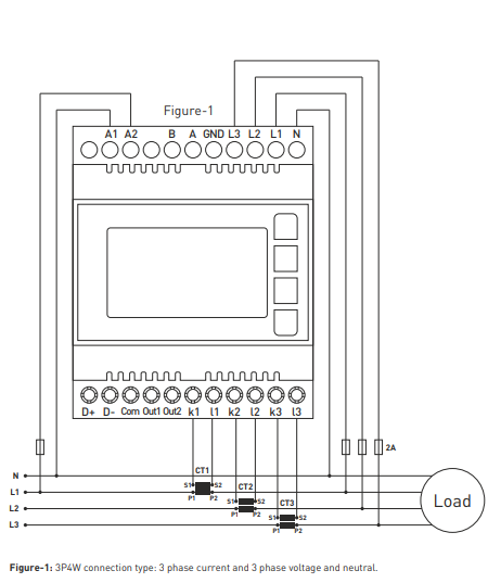
- Transformateur de tension triphasé et transformateur de courant triphasé.
-
Il affiche les composantes harmoniques de la tension et du courant jusqu'à la 31e harmonique.
-
Affiche la puissance active par phase (P)
-
Affiche la puissance réactive par phase (Q, inductive et capacitive)
-
Affiche la puissance apparente par phase (S)
-
Affiche les valeurs de Cosφ et de facteur de puissance de chaque phase.
-
Affiche les valeurs de tension (V) et de courant (I) entre les phases et les phases neutres et mesure la fréquence.
-
Affiche les valeurs totales d'importation et d'exportation d'énergie active (ΣkWh).
-
Affiche les valeurs totales d'énergie réactive inductive et capacitive (ΣkVArh).
-
Affiche les valeurs minimales et maximales, la demande maximale.
-
2 sorties de relais, 1 entrée numérique
-
Journaux d'événements (haute/basse tension/courant, asymétrie tension/courant, THD-I)
-
Le menu est protégé par un mot de passe.
Cet analyseur de réseau est généralement utilisé avec des transformateurs de mesure de courant - 60/5 75/5 100/5 150/5 200/5 250/5 300/5 400/5 500/5 600/5 800/5 1000/5 1500/5 ou similaires. Si vous avez l'intention de connecter l'analyseur au ModBus, nous vous enverrons sur demande une "Table d'enregistrement" avec les adresses ModBus.
Paiement en ligne par carte - après avoir terminé votre commande, vous serez redirigé vers la passerelle de paiement, la confirmation de paiement vous sera envoyée par e-mail
Contre-remboursement - le paiement selon le bon de paiement sera effectué au livreur de la société de transport
Par virement - vous recevrez au plus tard le jour ouvrable suivant une facture pro forma par e-mail, sur laquelle vous trouverez le numéro de compte à indiquer lors du paiement.
Sur facture - cette option de paiement est réservée aux partenaires ayant signé un contrat-cadre avec notre société.
Si vous souhaitez utiliser les 2 dernières options, appelez notre responsable et il vous donnera des instructions sur la façon d'obtenir une facture avec ou sans TVA.
Les appareils électriques que nous fournissons répondent à des normes de qualité élevées, ont une garantie de 24 mois et satisfont à toutes les exigences de l'UE.
Nous offrons également la livraison gratuite pour les commandes supérieures à 100 €, ainsi qu’un système flexible de réductions et de promotions. Les connaissances techniques et l’expérience de nos employés nous permettent de fournir des conseils de haute qualité et, si nécessaire, de proposer des alternatives aux produits électriques.
Le matériel électrique que nous fournissons répond à des normes de qualité élevées, bénéficie d’une garantie de 24 mois et satisfait à toutes les exigences de l’UE.
En cas de réclamation, le retour de la marchandise n’entraîne aucun frais.
